Please choose your delivery location

The selection of the country/region page can influence various factors such as price, shipping options and product availability.
Inquiry / Contact
igus® Canada

180 Bass Pro Mills Drive

Concord

Ontario L4K 0G9

+1 (800) 965-2496
+1 905 760-8688
CA(EN)

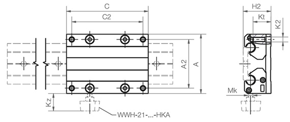
drylin® W hybrid carriages available in 3 lengths and 3 widths

4 hybrid double roller bearings 4 hybrid double roller bearings
4 hybrid double roller bearings

… light running with 8 rollers

The sliding and rolling system exhibits a convincing performance in many applications which require an easy and low noise adjustment. Suitable for drylin® W double shaft profiles in sizes 10/16/20, the complete carriage with 4 pre-assembled drylin® W-hybrid bearings is immediately available.
 

Pre-assembled carriage with 4 integrated hybrid bearings

Absorption of offset forces possible

Carriage lengths: 100/150/200 mm

All carriages with manual hand clamp (optional)

Self-lubricating and quiet adjustments


Typical applications:Safety doors, shop fittings, seat adjusters, …
Part Number   Weight
[kg]
A C A2 C2 K2 kt H2 stat. load capacity
Coy [N]
   
Ready to ship within 4-6 weeks (temporarily) WWH-20-80-25 184.34 USD Add to shopping cart
Ready to ship within 4-6 weeks (temporarily) WWH-10-40-10 0.235 2.28 3.94 1.57 80 M5 1.34 225 168.30 USD Add to shopping cart
Ready to ship within 4-6 weeks (temporarily) WWH-16-60-15 0.645 3.31 5.91 2.36 120 M6 1.81 360 181.01 USD Add to shopping cart
More about selected part:
3D-CAD 3D-CAD
Sample request Sample request
PDF PDF
Quote request Quote request
myCatalog myCatalog
Delivery time

Delivery

from stock/ex stock

More information:


Ready to ship within 4-6 weeks (temporarily)

The terms "igus", "Apiro", "chainflex", "CFRIP", "conprotect", "CTD", "drylin", "dry-tech", "dryspin", "easy chain", "e-chain", "e-chain systems", "e-ketten", "e-kettensysteme", "e-skin", "e-spool", "flizz", "ibow", "igear", "iglidur", "igubal", "kineKIT", "manus", "motion plastics", "pikchain", "plastics for longer life", "readychain", "readycable", "ReBeL", "speedigus", "triflex", "robolink", "xirodur", and "xiros" are legally protected trademarks of the igus® SE & Co. KG/ Cologne in the Federal Republic of Germany and where applicable in some foreign countries.

igus® SE & Co. KG points out that it does not sell any products of the companies Allen Bradley, B&R, Baumüller, Beckhoff, Lahr, Control Techniques, Danaher Motion, ELAU, FAGOR, FANUC, Festo, Heidenhain, Jetter, Lenze, LinMot, LTi DRiVES, Mitsibushi, NUM,Parker, Bosch Rexroth, SEW, Siemens, Stöber and all other drive manufacturers mention in this website. The products offered by igus® are those of igus® SE & Co. KG