Change Language :
Commande d'un système complet

Note : Vous trouverez de l'information détaillée dans les dessins ci-dessous ainsi que dans les pages énumérées ci-dessous :
Vous trouverez de l'information détaillée dans les dessins ci-dessous ainsi que dans les pages énumérées ci-dessous. Vous trouverez de l'information plus précise sur les types de paliers flottants dans les règles de construction.
**A:**Version avec palier flottant dans la direction z
**B:**Version horizontale avec palier flottant dans la direction z
**C:**Version horizontale avec chariots de guidage latéraux et palier flottant dans la direction y

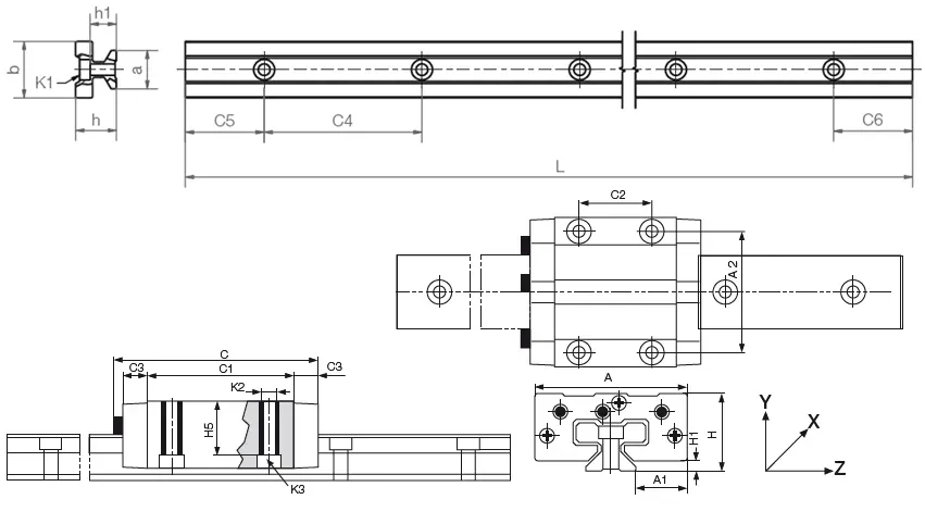
Rails de guidage
No. de pièce
Poids
[kg/m]
L
max.
a
-0,2
C4
C5
min.
C5
max.
C6
min.
C6
max.
h
h1
K1 pour vis
DIN 912
b
ly
[mm4]
lz
[mm4]
Wby
[mm4]
Wbz
[mm4]
TS-01-15
0,6
4.000
15
60
20
49,5
20
49,5
15,5
10
M4
22
6.440
4.290
585
488
TS-01-20
1
4.000
20
60
20
49,5
20
49,5
19
12,3
M5
31
22.570
11.520
1.456
1.067
TS-11-20
4.000
20
120
20
79,5
20
79,5
19
12,3
M5
31
12.140
6.360
780
620
TS-01-25
4.000
23
60
20
49,5
20
49,5
21,5
13,8
M6
34
34.700
19.300
2.041
1.608
TS-01-30
4.000
28
80
20
59,5
20
59,5
26
15,8
M8
40
70.040
40.780
3.502
2.832
Schéma de perçage standard symétrique C5 : C6
Chariots de guidage
N° de pièce
Poids
[kg]
H
±0,35
A
C
A1
±0,35
A2
C1
C2
C3
H1
±0,35
H5
Filetage K2
Couple de serrage
max.
[Nm]
K3 pour vis
DIN 912
TW-01-15
0,11
24
47
74
16,0
38
50
30
9
4,0
16,0
M5
1,5
M4
TW-01-20
0,19
30
63
87
21,5
53
61
40
10
5,0
19,8
M6
2,5
M5
TW-01-25
0,29
36
70
96
23,5
57
68
45
11
5,0
24,8
M8
6,0
M6
TW-01-30
0,50
42
90
109
31,0
72
79
52
12
6,5
27,0
M10
15,0
M8