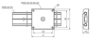
60 mm, 120 mm, 180 mm … Comment positionner par exemple des caméras ou des capteurs en ces endroits sans appareils de mesure ou sans graduation ? Le nouveau chariot à fonction arrêt et positionnement drylin® W peut avancer d'un point d'arrêt au suivant. Le système à ressort et bille s'arrête au trou suivant du rail. Des trous sont placés tous les 60 mm sur le rail WSQ-06-30 drylin® W. Le rail WSQ sans trous peut être utilisé pour des trous à des intervalles différents.
Nous voulions absolument proposer un produit universel. Un chariot de positionnement qui aille sur le très populaire rail WSQ-06-30 de drylin W avec des trous tous les 60 mm et qui puisse aussi être installé sur un rail où les trous seraient fonction des besoins du client.
Le chariot de positionnement WWC est donc intéressant pour les réglages de capteurs, pour le positionnement de caméras, pour l'aménagement de boutiques ou pour la construction de meubles, mais il peut aussi s'adapter à votre projet.
Le spécialiste igus® Aurélien Erson vous conseille volontiers et sans engagement de votre part.
Télécharger le PDF par simple clic avec la souris et découvrir igus®.
Découvrez dans notre boutique en ligne des produits et des solutions extrêmement variés pour résoudre vos problèmes
Les paliers igus® dans un centre de conditionnement de médicaments sous blisters automatisé pour les pharmacies : les systèmes Rowa de Becton Dickinson sont le leader mondial de ce segment du marché avec plus de 7.500 équipements installés dans le monde entier.
Les étiqueteuses de la société KHS GmbH renferment de nombreux paliers rotatifs et linéaires de la gamme igus®. Mais igus® fournit également des modules complets prêts à monter, dont des systèmes de réglage et des rouleaux de renvoi.
Plus audacieuses que d’autres, les start-ups du secteur technique se servent des technologies émergentes pour lancer de nouveaux produits. C’est le cas de la société fabmaker GmbH de Braunschweig (Allemagne) qui a mis au point une imprimante 3D pour les écoles et les établissements de formation.
