Veuillez sélectionner votre lieu de livraison

Le choix du site pays peut avoir un effet sur différents facteurs tels que le prix, les options de livraison et la disponibilité des produits.
My contact person
igus® Canada

180 Bass Pro Mills Drive

Concord

Ontario L4K 0G9

+1 (800) 965-2496
+1 905 760-8688
CA(FR)

Anneaux de guidage pour triflex® R de toutes les séries et tailles

Anneaux de guidage sans support pivotant

  • Déplacement et guidage en douceur de la chaîne porte-câbles triflex® R sur le robot
  • Guidage défini de la triflex® TRC, TRE et TRL sur le robot
Anneau de guidage pour triflex R sans support pivotant
Anneau de guidage pour triflex R sans support pivotant, cotes

Mode de fonctionnement d'un anneau de guidage

  • Pour un mouvement uniforme de la chaîne porte-câbles
  • Pour le guidage de la chaîne porte-câbles le long du robot
  • Bonne combinaison avec des systèmes de rappel
  • Dans le film, l'anneau de guidage est monté dans la partie avant du système de rappel
Référence Cote A [mm] Cote B [mm] Cote C [mm] Cote D [mm] Cote E [mm] Cote F [mm] Cote G [mm]
prêt pour l'expédition en 6 à 8 semaines ouvrables (temporairement) TL.30.05 2,2 2,36 1,42 1,1 0,55 1,42 0,23 21,13 USD Dans le panier
prêt pour l'expédition en 6 à 8 semaines ouvrables (temporairement) TR.40.05 3,35 3,33 1,81 1,26 0,83 1,06 0,26 31,51 USD Dans le panier
prêt pour l'expédition en 6 à 8 semaines ouvrables (temporairement) TR.40.05.M6 3,35 3,33 1,81 1,26 0,83 1,06 0,26 31,51 USD Dans le panier
prêt pour l'expédition en 6 à 8 semaines ouvrables (temporairement) TR.50.05 3,78 4,02 2,28 2,64 0,83 1,06 0,26 96,92 USD Dans le panier
prêt pour l'expédition en 6 à 8 semaines ouvrables (temporairement) TR.50.05.M6 3,78 4,02 2,28 2,64 0,83 1,06 0,26 96,92 USD Dans le panier
prêt pour l'expédition en 6 à 8 semaines ouvrables (temporairement) TR.60.05 4,96 4,96 2,95 1,97 1,26 1,57 0,35 46,67 USD Dans le panier
prêt pour l'expédition en 6 à 8 semaines ouvrables (temporairement) TR.60.05.M8 4,96 4,96 2,95 1,97 1,26 1,57 0,35 46,67 USD Dans le panier
prêt pour l'expédition en 6 à 8 semaines ouvrables (temporairement) TR.65.05 4,96 4,96 2,95 2,95 1,26 1,57 0,35 71,89 USD Dans le panier
prêt pour l'expédition en 6 à 8 semaines ouvrables (temporairement) TR.65.05.M8 4,96 4,96 2,95 2,95 1,26 1,57 0,35 71,89 USD Dans le panier
prêt pour l'expédition en 6 à 8 semaines ouvrables (temporairement) TR.70.05 6,02 6,1 3,39 2,76 1,38 1,57 0,35 54,71 USD Dans le panier
prêt pour l'expédition en 6 à 8 semaines ouvrables (temporairement) TR.70.05.M8 6,02 6,1 3,39 2,76 1,38 1,57 0,35 54,71 USD Dans le panier
prêt pour l'expédition en 6 à 8 semaines ouvrables (temporairement) TR.85.05 6,02 6,1 3,94 3,31 1,38 1,57 0,35 73,33 USD Dans le panier
prêt pour l'expédition en 6 à 8 semaines ouvrables (temporairement) TR.85.05.M8 6,02 6,1 3,94 3,31 1,38 1,57 0,35 73,33 USD Dans le panier
prêt pour l'expédition en 6 à 8 semaines ouvrables (temporairement) TR.100.05 6,4 6,67 4,53 3,35 1,1 1,57 0,33 238,12 USD Dans le panier
prêt pour l'expédition en 6 à 8 semaines ouvrables (temporairement) TR.100.05.M8 6,4 6,67 4,53 3,35 1,1 1,57 0,33 238,12 USD Dans le panier
prêt pour l'expédition en 6 à 8 semaines ouvrables (temporairement) TR.125.05 7,05 7,48 5,59 3,31 1,57 2,52 0,35 443,56 USD Dans le panier
prêt pour l'expédition en 6 à 8 semaines ouvrables (temporairement) TR.125.05.M8 7,05 7,48 5,59 3,31 1,57 2,52 0,35 443,56 USD Dans le panier
En savoir plus sur la pièce sélectionnée :
3D-CAD 3D-CAD
Demande d'échantillons Demande d'échantillons
Demande de prix Demande de prix
myCatalog myCatalog

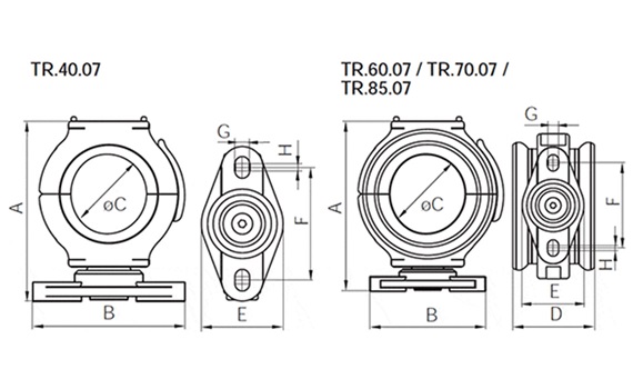
Anneaux de guidage avec support pivotant

  • Le support pivotant mis à part, il n'y a pas de différence entre TR.XX.05 sans support pivotant et TR.XX.07 avec support pivotant
  • Pour une latitude de mouvement encore plus grande du guidage défini de la triflex® TRC, TRE et TRL sur le robot
Anneau de guidage pour triflex R avec support pivotant
Anneau de guidage pour triflex R avec support pivotant, cotes
Référence Cote A [mm] Cote B [mm] Cote C [mm] Cote D [mm] Cote E [mm] Cote F [mm] Cote G [mm]
prêt pour l'expédition en 6 à 8 semaines ouvrables (temporairement) TR.40.07 4,25 3,5 1,81 1,26 1,85 2,56 0,33 63,13 USD Dans le panier
prêt pour l'expédition en 6 à 8 semaines ouvrables (temporairement) TR.50.07 4,69 3,5 2,28 2,64 1,85 2,56 0,33 128,53 USD Dans le panier
prêt pour l'expédition en 6 à 8 semaines ouvrables (temporairement) TR.60.07 6,14 4,65 4,65 1,97 2,56 3,44 0,41 85,81 USD Dans le panier
prêt pour l'expédition en 6 à 8 semaines ouvrables (temporairement) TR.65.07 6,14 4,65 2,95 2,95 2,56 3,44 0,41 108,88 USD Dans le panier
prêt pour l'expédition en 6 à 8 semaines ouvrables (temporairement) TR.70.07 7,2 4,65 3,39 2,76 2,56 3,44 0,41 93,88 USD Dans le panier
prêt pour l'expédition en 6 à 8 semaines ouvrables (temporairement) TR.85.07 7,2 4,65 3,94 3,31 2,56 3,44 0,41 108,73 USD Dans le panier
prêt pour l'expédition en 6 à 8 semaines ouvrables (temporairement) TR.100.07 7,44 4,65 4,53 3,35 3,11 3,44 0,41 277,27 USD Dans le panier
En savoir plus sur la pièce sélectionnée :
3D-CAD 3D-CAD
Demande d'échantillons Demande d'échantillons
PDF PDF
Demande de prix Demande de prix
myCatalog myCatalog

prêt pour l'expédition en 6 à 8 semaines ouvrables (temporairement)

Conseil

I would be happy to answer your questions personally

Transport et conseils

En personne:

Du lundi au vendredi de 8h à 17h

Online:

24h


The terms "igus", "Apiro", "chainflex", "CFRIP", "conprotect", "CTD", "drylin", "dry-tech", "dryspin", "easy chain", "e-chain", "e-chain systems", "e-ketten", "e-kettensysteme", "e-skin", "e-spool", "flizz", "ibow", "igear", "iglidur", "igubal", "kineKIT", "manus", "motion plastics", "pikchain", "plastics for longer life", "readychain", "readycable", "ReBeL", "speedigus", "triflex", "robolink", "xirodur", and "xiros" are legally protected trademarks of the igus® SE & Co. KG/ Cologne in the Federal Republic of Germany and where applicable in some foreign countries.

igus® SE & Co. KG points out that it does not sell any products of the companies Allen Bradley, B&R, Baumüller, Beckhoff, Lahr, Control Techniques, Danaher Motion, ELAU, FAGOR, FANUC, Festo, Heidenhain, Jetter, Lenze, LinMot, LTi DRiVES, Mitsibushi, NUM,Parker, Bosch Rexroth, SEW, Siemens, Stöber and all other drive manufacturers mention in this website. The products offered by igus® are those of igus® SE & Co. KG