Veuillez sélectionner votre lieu de livraison

Le choix du site pays peut avoir un effet sur différents facteurs tels que le prix, les options de livraison et la disponibilité des produits.
My contact person
igus® Canada

180 Bass Pro Mills Drive

Concord

Ontario L4K 0G9

+1 (800) 965-2496
+1 905 760-8688
CA(FR)

Chaîne pour bureaux meubles OCO : étude de design

Remplissage très facile grâce au design « easy »

La chaîne pour bureaux et meubles OCO.20 est un guidage de l'énergie simple pour le bureau. Elle n'a pas de rayon défini et peut bouger dans deux sens. Elle est aussi très facile à raccourcir et à rallonger. Les éléments de fixation ressemblent énormément aux maillons et ne s'en distinguent que par des aimants intégrés à l'aide desquels la chaîne OCO peut facilement être fixée à un bureau métallique. Un montage par vissage au bureau est aussi possible, deux petits trous ont été prévus à cet effet.

Faire une demande

Améliorer la technicité

Améliorer la technicité

  • Design intemporel
  • Pose flexible
  • Facile à rallonger ou à raccourcir
  • Eléments de fixation à aimants intégrés pour une
    fixation simple
  • Bonne force de retenue des maillons de la chaîne porte-câbles, jusqu'à 150 N
Baisser les coûts

Baisser les coûts

  • Remplissage sans outil grâce au « principe easy » permettant de réduire le temps de montage et les coûts
  • Commande dans la longueur souhaitée
  • Economique à l'achat
Preuves

Preuves

  • Essai en traction de la chaîne OCO.20 pour en quantifier la force de retenue: des prototypes imprimés ont été testés en traction et ont tenu face à une force de 420 N
Durabilité

Durabilité

  • Sans bisphénol A (sans BPA)
  • 100 % sans produits halogènes, donc tout à fait adaptée à un usage dans des bâtiments publics
  • Faites recycler votre chaîne porte-câbles à la fin
    de son cycle de vie en la confiant au programme de recyclage igus chainge. Quel que soit son fabricant. Vous recevrez un bon d'achat : programme de recyclage chainge
  • igus soutient l'économie circulaire des polymères  et investit dans le recyclage chimique

Chaîne pour bureaux et meubles OCO.20


 

C'est tout simple :

L'ouverture du système easy n'est pas centrale, elle est décalée. En assemblant les maillons de manière alternée, on a un décalage des fentes à droite et à gauche qui permet d'insérer facilement des câbles tout en évitant qu'ils ne ressortent facilement.

Chaîne pour bureaux et meubles OCO.20

 
Aimants intégrés permettant une fixation simple à des bureaux métalliques
Chaîne pour bureaux et meubles OCO.20

 
Fixation par vis possible en option

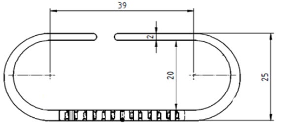
Données techniques

Chaîne pour meubles OCO.20 : données techniques


 

RéférenceHauteur interneHauteur externeLargeur interneLargeur externe
OCO.2020 mm25 mm39 mm64 mm

Sur demande
 
Faire une demande

Produits semblables

Chaîne pour bureaux et meubles OCR

Chaîne pour bureaux et meubles OCR

Clips de montage magnétiques pour une fixation intermédiaire et un clipsage simple à la chaîne. 

Chaîne pour meubles ZF14

Chaîne pour meubles ZF14

Mise en place rapide des câbles chaîne porte-câbles vite fixée et certifiée UL94-V2. 

triflex R

Chaîne porte-câbles à 3 axes triflex R

Design « Easy » pour un remplissage simple et rapide Torsion d'environ +/- 10° par maillon. 


Plus d’informations

Nouveautés 2020

Vue d'ensemble des nouveautés chaînes porte-câbles 2020

Découvrez ici d'autres nouveautés chaînes porte-câbles 2020  pour des domaines très variés.

Catalogue nouveautés 2020 (en anglais)

Catalogue nouveautés 2020 interactif

Toutes les informations sur nos nouveaux produits et nos élargissements de gammes dans le catalogue gratuit.

Chaînes porte-câbles

Chaînes porte-câbles

Grande variété d’espaces de montage et d'environnements  Grand choix de produits : vous trouvez immédiatement la solution qui convient. Avec 36 mois de garantie.


Conseil

I would be happy to answer your questions personally

Transport et conseils

En personne:

Du lundi au vendredi de 8h à 17h

Online:

24h


The terms "igus", "Apiro", "chainflex", "CFRIP", "conprotect", "CTD", "drylin", "dry-tech", "dryspin", "easy chain", "e-chain", "e-chain systems", "e-ketten", "e-kettensysteme", "e-skin", "e-spool", "flizz", "ibow", "igear", "iglidur", "igubal", "kineKIT", "manus", "motion plastics", "pikchain", "plastics for longer life", "readychain", "readycable", "ReBeL", "speedigus", "triflex", "robolink", "xirodur", and "xiros" are legally protected trademarks of the igus® SE & Co. KG/ Cologne in the Federal Republic of Germany and where applicable in some foreign countries.

igus® SE & Co. KG points out that it does not sell any products of the companies Allen Bradley, B&R, Baumüller, Beckhoff, Lahr, Control Techniques, Danaher Motion, ELAU, FAGOR, FANUC, Festo, Heidenhain, Jetter, Lenze, LinMot, LTi DRiVES, Mitsibushi, NUM,Parker, Bosch Rexroth, SEW, Siemens, Stöber and all other drive manufacturers mention in this website. The products offered by igus® are those of igus® SE & Co. KG