180 Bass Pro Mills Drive
Concord
Ontario L4K 0G9
74 mm d'écart entre les arbres
Jeu réduit au point d'action
Bon support de couple
Faible hauteur de montage de 45 mm
Sans graisse
Combinaison possible avec moteurs pas à pas et à courant continu
Bride moteur, accouplement, capteurs disponibles
 
         
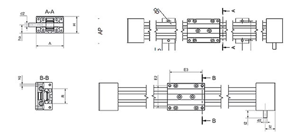
                | Référence | A | AI | H | E2 | E3 | I | R | f | It | sg | ha | hc | lz | I2 | d2 | ||
|---|---|---|---|---|---|---|---|---|---|---|---|---|---|---|---|---|---|
| -0,3 | ±0,15 | ±0.15 | ±0,15 | ±0,3 | h9 | ||||||||||||
| ZLW-1080-02-S-100-L (1) | 4,21 | 3,94 | 1,77 | 3,7 | 87 | 8,03 | 2,91 | 0,04 | 2,05 | M6 | 0,87 | 0 | 27 | 0,47 | 0,39 | 560,10 USD | |
| ZLW-1080-02-S-100-R (1) | 4,21 | 3,94 | 1,77 | 3,7 | 87 | 8,03 | 2,91 | 0,04 | 2,05 | M6 | 0,87 | 0 | 27 | 0,47 | 0,39 | 560,10 USD | |
| ZLW-1080-02-S-100-L/R (1) | 4,21 | 3,94 | 1,77 | 3,7 | 87 | 8,03 | 2,91 | 0,04 | 2,05 | M6 | 0,87 | 0 | 27 | 0,47 | 0,39 | 579,88 USD | 
(1) Dimension X is cut-to-order
| Référence | E | Lp | dp | T1 | T2 | d | ||
|---|---|---|---|---|---|---|---|---|
| ±0.2 | ±0.25 | ±0.25 | ||||||
| ZLW-1080-02-S-100-L (1) | 3,7 | 1,57 | 0,25 | 36 | 26.5 | M6 | 560,10 USD | |
| ZLW-1080-02-S-100-R (1) | 3,7 | 1,57 | 0,25 | 36 | 26.5 | M6 | 560,10 USD | |
| ZLW-1080-02-S-100-L/R (1) | 3,7 | 1,57 | 0,25 | 36 | 26.5 | M6 | 579,88 USD | 
(1) Dimension X is cut-to-order
 
         
         
        Du lundi au vendredi de 8h à 17h
24h