Veuillez sélectionner votre lieu de livraison

Le choix du site pays peut avoir un effet sur différents facteurs tels que le prix, les options de livraison et la disponibilité des produits.
My contact person
igus® Canada

180 Bass Pro Mills Drive

Concord

Ontario L4K 0G9

+1 (800) 965-2496
+1 905 760-8688
CA(FR)

drylin® ZAW : module linéaire à courroie crantée

Propriétés particulières

Entraînement fixe, seuls le profil et la charge sont en mouvement.

Profil en aluminium anodisé dur.

Sans aucun lubrifiant et résistant à la corrosion

Poids très faible

Accélérations élevées

Charge axiale maxi de 50 N

Vont avec cette référence :


Caractéristiques techniques, couples d'entraînement, structure du module linéaire à courroie crantée


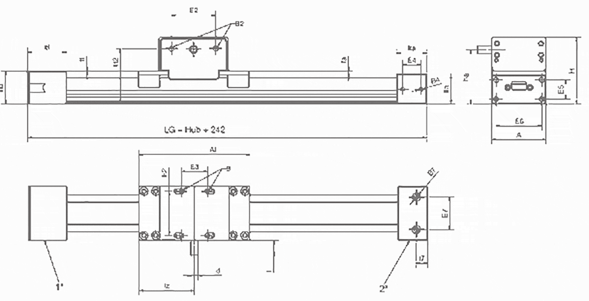
Module linéaire à courroie crantée ZAW

L max.:

 

Cotes [mm]

N° de commande A
-0,3
H LG
Course
Al
±0,3
ha
±0,1
d
h9
l
+1
lz Course
max.
Weight    
  [mm] [mm] [mm] [mm] [mm] [mm] [mm] [mm] [mm] [kg]
+ 0,14 /
100 mm de course [
   
prêt pour l'expédition en 4 à 6 semaines ouvrables (temporairement) ZAW-1040-02-S-150-L-LG 2,91 3,58 9,53 5,91 2,91 0,39 0,79 75 1000 3,859 Sur demande Dans le panier
prêt pour l'expédition en 4 à 6 semaines ouvrables (temporairement) ZAW-1040-02-S-150-R-LG 2,91 3,58 9,53 5,91 2,91 0,39 0,79 75 1000 3,859 Sur demande Dans le panier
prêt pour l'expédition en 4 à 6 semaines ouvrables (temporairement) ZAW-1040-02-S-150-L/R-LG 2,91 3,58 9,53 5,91 2,91 0,39 0,79 75 1000 3,859 Sur demande Dans le panier
En savoir plus sur la pièce sélectionnée :
3D-CAD 3D-CAD
Demande d'échantillons Demande d'échantillons
PDF PDF
Demande de prix Demande de prix
myCatalog myCatalog

Cotes de raccordement [mm]

N° de commande E2
±0,15
E3
±0,15
B
-0,3
B2
htf
Hub
ltf
±0,3
ff
±0,1
fa
h9
lta
+1
E4 B4
±0,15
E5
±0,15
E6
    [mm]     [mm] [mm] [mm] [mm] [mm] [mm]   [mm] [mm]
prêt pour l'expédition en 4 à 6 semaines ouvrables (temporairement) ZAW-1040-02-S-150-L-LG 2,36 60 M6 M8 1,73 2,05 0,08 5 1,57 0.79 M6 1,02 2,44
prêt pour l'expédition en 4 à 6 semaines ouvrables (temporairement) ZAW-1040-02-S-150-R-LG 2,36 60 M6 M8 1,73 2,05 0,08 5 1,57 0.79 M6 1,02 2,44
prêt pour l'expédition en 4 à 6 semaines ouvrables (temporairement) ZAW-1040-02-S-150-L/R-LG 2,36 60 M6 M8 1,73 2,05 0,08 5 1,57 0.79 M6 1,02 2,44
En savoir plus sur la pièce sélectionnée :
3D-CAD 3D-CAD
Demande d'échantillons Demande d'échantillons
PDF PDF
Demande de prix Demande de prix
myCatalog myCatalog
1 = traverse libre ZTF
2 = traverse de raccordement ZTA
ZAW-1040 Fixation de la position de l'arbre d'entraînement (à droite ou à gauche), dans le sens du regard !
1 = arbre d'entraînement à gauche
2 = arbre d'entraînement à droite
x = sens du regard

Possibilités de fixation drylin® ZLW


Vont avec cette référence :

prêt pour l'expédition en 4 à 6 semaines ouvrables (temporairement) Vue d'ensemble de la gamme drylin® E

La conséquence logique de l'idée de module et de système de la technique linéaire sans graisse drylin®

prêt pour l'expédition en 4 à 6 semaines ouvrables (temporairement)

Conseil

I would be happy to answer your questions personally

Transport et conseils

En personne:

Du lundi au vendredi de 8h à 17h

Online:

24h


The terms "igus", "Apiro", "chainflex", "CFRIP", "conprotect", "CTD", "drylin", "dry-tech", "dryspin", "easy chain", "e-chain", "e-chain systems", "e-ketten", "e-kettensysteme", "e-skin", "e-spool", "flizz", "ibow", "igear", "iglidur", "igubal", "kineKIT", "manus", "motion plastics", "pikchain", "plastics for longer life", "readychain", "readycable", "ReBeL", "speedigus", "triflex", "robolink", "xirodur", and "xiros" are legally protected trademarks of the igus® SE & Co. KG/ Cologne in the Federal Republic of Germany and where applicable in some foreign countries.

igus® SE & Co. KG points out that it does not sell any products of the companies Allen Bradley, B&R, Baumüller, Beckhoff, Lahr, Control Techniques, Danaher Motion, ELAU, FAGOR, FANUC, Festo, Heidenhain, Jetter, Lenze, LinMot, LTi DRiVES, Mitsibushi, NUM,Parker, Bosch Rexroth, SEW, Siemens, Stöber and all other drive manufacturers mention in this website. The products offered by igus® are those of igus® SE & Co. KG