180 Bass Pro Mills Drive
Concord
Ontario L4K 0G9
 
        Totalement exempte de lubrifiants
Faible poids grâce à la combinaison aluminium et plastique
Résistance aux températures allant jusqu'à +60 °C
Disponible en option comme variante à vis en inox insensible à la corrosion
Vis protégée
Structure d'une grande efficacité
Disponible sans vis, comme système de mesure à gradation
Versions à collerette pour une fixation axiale à des surfaces ou des profilés
 
        | A [inch]: | 
 | 
 
                Choisissez la taille de la table linéaire.
| N° de commande | Course max. | Arbre en aluminium | Capacité de charge statique max. | Prix unitaire pour | |||
|---|---|---|---|---|---|---|---|
| Poids des brides support d'axes tandem et des chariots de guidage | suppl. de poids (par 100 mm) | axiale | radiale | course de base 100 mm | |||
| [mm] | [kg] | [kg] | [N] | [N] | |||
| SET-12-AWM (1) | 200 | 0,05 | 0,02 | 2,25 | 4,5 | 69,92 USD | |
| SET-25-AWM (1) | 750 | 0,15 | 0,081 | 33,75 | 67,5 | 132,07 USD | |
| SET-30-AWM (1) | 850 | 0,2 | 0,141 | 45 | 90 | 169,50 USD | |
(1) Tapered off spindle end
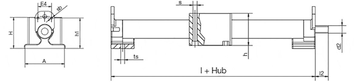
| N° de commande | A | Al | H | E1 | E2 | E3 | E4 | l | h | h1 | lt | ts | s | sb | l2 | d2 | 
|---|---|---|---|---|---|---|---|---|---|---|---|---|---|---|---|---|
| SET-12-AWM (1) | 1,18 | 1,18 | 0,93 | 0,79 | 0,79 | 20 | - | 2,36 | 0,87 | 0,59 | 0,13 | 0,17 | 0,39 | M4 | ||
| SET-25-AWM (1) | 2,36 | 2,17 | 1,73 | 1,57 | 1,57 | 40 | 20 | 4,53 | 1,54 | 1,77 | 1,18 | 0,2 | 0,2 | M4 | 0,67 | TRx10x2 | 
| SET-30-AWM (1) | 3,15 | 2,17 | 1,93 | 2,36 | 1,57 | 40 | 20 | 4,92 | 1,54 | 1,97 | 1,38 | 0,26 | 0,2 | M4 | 0,79 | TRx12x3 | 
(1) Tapered off spindle end