Veuillez sélectionner votre lieu de livraison

Le choix du site pays peut avoir un effet sur différents facteurs tels que le prix, les options de livraison et la disponibilité des produits.
My contact person
igus® Canada

180 Bass Pro Mills Drive

Concord

Ontario L4K 0G9

+1 (800) 965-2496
+1 905 760-8688
CA(FR)

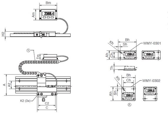
Système de mesure drylin® W

Avec afficheur à positionnement libre en plus

Système de mesure drylin W
Système de mesure drylin W 1. Chaîne porte-câbles 047.10.028.0.xxx non comprise
2. Options de montage de l´afficheur externe

La lecture des données mesurées dans la position souhaitée permet un positionnement ergonomique dans le périmètre de travail et réduit ainsi de risque de lectures erronées. Le système complet (capteur/afficheur/bande magnétique/guidage linéaire) est livré prêt à être monté. Le guidage linéaire drylin® W est sans graisse et insensible à la saleté.

Afficheur externe

Positionnement libre

Peut être monté sur les profilés de construction en aluminium

Adaptation horizontale ou verticale

Sans graisse


Domaines d'applications types :Secteur de l'emballage, usinage de profilés, coupe à longueur de tubes

Cotes du système de mesure [mm]

Référence A C A2 C2 K2 H2 Am Bm Tm  
  Largeur Longueur       ±0,17        
WKMEDR(L)*-10-80-10-… 107 100 94 87 M6 24 82 51 25  Anfragen
* Montage à droite (R) ou à gauche (L) du chariot de guidage

Cotes de l'affichage, support compris [mm]

  Ah Bh Ch Sh Kh Th    
prêt pour l'expédition en 4 à 6 semaines ouvrables (temporairement) WMY-0301 2,4 4,92 1,57 0,55 0,21 0,87 Sur demande Dans le panier
prêt pour l'expédition en 4 à 6 semaines ouvrables (temporairement) WMY-0302 3,72 3,62 2,76 0,55 0,21 0,87 Sur demande Dans le panier
En savoir plus sur la pièce sélectionnée :
3D-CAD 3D-CAD
Demande d'échantillons Demande d'échantillons
PDF PDF
Demande de prix Demande de prix
myCatalog myCatalog

Données techniques

Données techniques
Principe de mesure Incrémentale, avec valeur absolue. Fonctionnement à pile
Affichages Ecran LCD à capteur intégré, indépendant du secteur
Précision 0,1 mm maxi
Reproductibilité ± 1 décimale
Affichage/plage d'affichage -99 999 …+99 999
Fonction Fonction mesure de chaîne et remise à zéro
Saisie directe de la valeur offset
Alimentation Pile intégrée, durée de vie jusqu'à 10 ans
Capteur magnétique Montage fixe
forme Dans boîtier
Logement Zinc moulé
Type de protection IP20 (ensemble de l'appareil)
IP60 (côté affichage)
Température d'emploi 0…+60°C
Humidité de l'air 95% h.r. Pas de condensation
Vitesse de déplacement 3,5 m/s max.

prêt pour l'expédition en 4 à 6 semaines ouvrables (temporairement)

The terms "igus", "Apiro", "chainflex", "CFRIP", "conprotect", "CTD", "drylin", "dry-tech", "dryspin", "easy chain", "e-chain", "e-chain systems", "e-ketten", "e-kettensysteme", "e-skin", "e-spool", "flizz", "ibow", "igear", "iglidur", "igubal", "kineKIT", "manus", "motion plastics", "pikchain", "plastics for longer life", "readychain", "readycable", "ReBeL", "speedigus", "triflex", "robolink", "xirodur", and "xiros" are legally protected trademarks of the igus® GmbH/ Cologne in the Federal Republic of Germany and where applicable in some foreign countries.

igus® GmbH points out that it does not sell any products of the companies Allen Bradley, B&R, Baumüller, Beckhoff, Lahr, Control Techniques, Danaher Motion, ELAU, FAGOR, FANUC, Festo, Heidenhain, Jetter, Lenze, LinMot, LTi DRiVES, Mitsibushi, NUM,Parker, Bosch Rexroth, SEW, Siemens, Stöber and all other drive manufacturers mention in this website. The products offered by igus® are those of igus® GmbH