180 Bass Pro Mills Drive
Concord
Ontario L4K 0G9
Absence de lubrifiant
Design simple et lisse, sur mesure
Accessoires disponibles
 
         
         
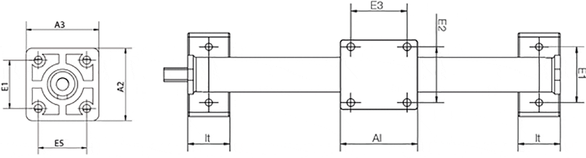
                | Réf. | A2 | A | H | E1 | E2 | E3 | E5 | l | h | lt | ts | s | l2 | d2 | Longueur de la course | Arbre en aluminium | Force stat. admis. maxi | ||||
|---|---|---|---|---|---|---|---|---|---|---|---|---|---|---|---|---|---|---|---|---|---|
| max. | patin | suppl. de poids (par 100 mm) | axiale [N] | radiale [N] | |||||||||||||||||
| SET-25-AWM-F (1) | 2,36 | 2,36 | 1,93 | 1,57 | 1,57 | 40 | 1,57 | 4,53 | 1,54 | 1,18 | 0,2 | 0,2 | 1,06 | TRx10x2 | 750 | 0,01 | 0,265 | 33,75 | 67,5 | 132,07 USD | |
| SET-30-AWM-F (1) | 3,15 | 2,36 | 2,32 | 2,36 | 1,57 | 40 | 1,57 | 4,92 | 1,54 | 1,38 | 0,26 | 0,2 | 1,18 | TRx12x3 | 850 | 0,01 | 0,463 | 45 | 90 | 169,50 USD | |
(1) Tapered off spindle end