Veuillez sélectionner votre lieu de livraison

Le choix du site pays peut avoir un effet sur différents facteurs tels que le prix, les options de livraison et la disponibilité des produits.
My contact person
igus® Canada

180 Bass Pro Mills Drive

Concord

Ontario L4K 0G9

+1 (800) 965-2496
+1 905 760-8688
CA(FR)

drylin® ZLW : unités linéaires pour conditions extrêmes

Immersion/congélation

Immersion/congélaton

Nouveau cette année :

Version LT pour applications frigorifiques jusqu´à -30°C
Version UW pour l´utilisation en immersion
 

Les modules linéaires à courroie crantée drylin® éprouvés ont été mis au point pour le positionnement rapide de petites charges. Le guidage et le chariot des unités linéaires à courroie crantée ont une faible masse, et donc une inertie de masse réduite. De surcroît, ces unités sont résistantes à la corrosion, légères et compactes.

Guidage et Paliers lisses totalement exempts de lubrifiants 100%

Montage facile et varié

Longueur de course variable

Plat et robuste

Léger et anticorrosion


Secteurs : technique de vérification, alimentaire

Vont avec cette référence :


  Données techniques ZLW-1040-LT
pour applications
frigorifiques
ZLW-1040-UW
pour l´utilisation
en immersion
  Poids sans course [kg] 1,0 1,0
  Poids 100 mm de course [mm] 0,14 0,14
  Course maxi* [mm] 2.000 1.000
  Multiplication [mm/U] 70 70
  Crantage   AT 5 AT 5
  Matériau courroie crantée   TPUKF2 PU renforcé d´inox
  Largeur de la courroie crantée [mm] 16 16
  Tension de la courroie crantée [N] 200 50
  Charge radiale maxi [N] 300 100
  Palier de déviation   Roulement à billes
spécial froid
Roulement à
billes xiros®
  Vitesse maxi [m/s] 5 1
  Ecart de position maxi du chariot,
en fonction de la charge
[mm] ±0,2 ±0,5
  * course maxi plus longue sur demande
drylin® ZLW-LT dans une machine automatique de préparation de pizzas capable de faire cuire une pizza prête congelée et de la servir au client en deux minutes. Tous les paliers et éléments utilisés fonctionnent aussi à -20°C.

Gamme de produits ZLW-1040-LT

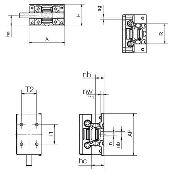
Réf. : A Al H E2 l hc E3 R f lt sg ha lz l2    
  -0,3     ±0,15     ±0,15 ±0,15   ±0,3            
prêt pour l'expédition en 4 à 6 semaines ouvrables (temporairement) ZLW-1040-LT-100-L (1) 2,91 3,94 1,77 2,36 8,23 0,89 87 1,57 0,04 2,05 M6 0,87 27 0,79 464,03 USD Dans le panier
prêt pour l'expédition en 4 à 6 semaines ouvrables (temporairement) ZLW-1040-LT-100-R (1) 2,91 3,94 1,77 2,36 8,23 0,89 87 1,57 0,04 2,05 M6 0,87 27 0,79 464,03 USD Dans le panier
En savoir plus sur la pièce sélectionnée :
3D-CAD 3D-CAD
Demande d'échantillons Demande d'échantillons
PDF PDF
Demande de prix Demande de prix
myCatalog myCatalog

(1) Dimension X is cut-to-order

Gamme de produits ZLW-1040-LT (suite)

Réf. : d2 X E AP LP dp n np nw nh T1 T2 d
      ±0,2 -1             ±0,25 ±0,25  
prêt pour l'expédition en 4 à 6 semaines ouvrables (temporairement) ZLW-1040-LT-100-L (1) 0,39 - 2,36 3,07 1,57 0,25 0,2 0,37 0,17 0,61 36 26.5 0,2
prêt pour l'expédition en 4 à 6 semaines ouvrables (temporairement) ZLW-1040-LT-100-R (1) 0,39 - 2,36 3,07 1,57 0,25 0,2 0,37 0,17 0,61 36 26.5 0,2
En savoir plus sur la pièce sélectionnée :
3D-CAD 3D-CAD
Demande d'échantillons Demande d'échantillons
PDF PDF
Demande de prix Demande de prix
myCatalog myCatalog

(1) Dimension X is cut-to-order

Gamme de produits ZLW-1040-UW

Réf. : A Al H E2 l hc E3 R f lt sg ha lz l2    
  -0,3     ±0,15     ±0,15 ±0,15   ±0,3            
prêt pour l'expédition en 4 à 6 semaines ouvrables (temporairement) ZLW-1040-UW-100-L (1) 2,91 3,94 1,77 2,36 8,23 0,89 87 1,57 0,04 2,05 M6 0,87 27 0,79 464,03 USD Dans le panier
prêt pour l'expédition en 4 à 6 semaines ouvrables (temporairement) ZLW-1040-UW-100-R (1) 2,91 3,94 1,77 2,36 8,23 0,89 87 1,57 0,04 2,05 M6 0,87 27 0,79 464,03 USD Dans le panier
En savoir plus sur la pièce sélectionnée :
3D-CAD 3D-CAD
Demande d'échantillons Demande d'échantillons
PDF PDF
Demande de prix Demande de prix
myCatalog myCatalog

(1) Dimension X is cut-to-order

Gamme ZLW-1040-UW (suite)

Réf. : d2 X E AP LP dp n np nw nh T1 T2 d
      ±0,2 -1             ±0,25 ±0,25  
prêt pour l'expédition en 4 à 6 semaines ouvrables (temporairement) ZLW-1040-UW-100-L (1) 0,39 - 2,36 3,07 1,57 0,25 0,2 0,37 0,17 0,61 36 26.5 0,2
prêt pour l'expédition en 4 à 6 semaines ouvrables (temporairement) ZLW-1040-UW-100-R (1) 0,39 - 2,36 3,07 1,57 0,25 0,2 0,37 0,17 0,61 36 26.5 0,2
En savoir plus sur la pièce sélectionnée :
3D-CAD 3D-CAD
Demande d'échantillons Demande d'échantillons
PDF PDF
Demande de prix Demande de prix
myCatalog myCatalog

(1) Dimension X is cut-to-order

Plus d'informations :


Vont avec cette référence :

prêt pour l'expédition en 4 à 6 semaines ouvrables (temporairement) Vue d'ensemble de la gamme drylin® E

La conséquence logique de l'idée de module et de système de la technique linéaire sans graisse drylin®

prêt pour l'expédition en 4 à 6 semaines ouvrables (temporairement)

Conseil

I would be happy to answer your questions personally

Transport et conseils

En personne:

Du lundi au vendredi de 8h à 17h

Online:

24h


The terms "igus", "Apiro", "chainflex", "CFRIP", "conprotect", "CTD", "drylin", "dry-tech", "dryspin", "easy chain", "e-chain", "e-chain systems", "e-ketten", "e-kettensysteme", "e-skin", "e-spool", "flizz", "ibow", "igear", "iglidur", "igubal", "kineKIT", "manus", "motion plastics", "pikchain", "plastics for longer life", "readychain", "readycable", "ReBeL", "speedigus", "triflex", "robolink", "xirodur", and "xiros" are legally protected trademarks of the igus® SE & Co. KG/ Cologne in the Federal Republic of Germany and where applicable in some foreign countries.

igus® SE & Co. KG points out that it does not sell any products of the companies Allen Bradley, B&R, Baumüller, Beckhoff, Lahr, Control Techniques, Danaher Motion, ELAU, FAGOR, FANUC, Festo, Heidenhain, Jetter, Lenze, LinMot, LTi DRiVES, Mitsibushi, NUM,Parker, Bosch Rexroth, SEW, Siemens, Stöber and all other drive manufacturers mention in this website. The products offered by igus® are those of igus® SE & Co. KG