Veuillez sélectionner votre lieu de livraison

Le choix du site pays peut avoir un effet sur différents facteurs tels que le prix, les options de livraison et la disponibilité des produits.
My contact person
igus® Canada

180 Bass Pro Mills Drive

Concord

Ontario L4K 0G9

+1 (800) 965-2496
+1 905 760-8688
CA(FR)

drylin® SLW - la compacte - version inox

Ces tables élévatrices à vis sont utilisées dans les milieux agressifs.

Version en inox avec composants en acier résistant à la corrosion (1.42305, 1.4408 ou 1.4571)

Matériau de palier au choix :

iglidur® J = standard
iglidur® A180 = FDA
iglidur® X = températures jusqu´à +150 °C



Secteurs : Secteur alimentaire et du conditionnement, industrie chimique
Table linéaire SLW inox

Vont avec cette référence :


SLW - la compacte - version inox


Commande d'un système complet

Configuration rapide et simple

1. Choix de la taille
2. Définition de la longueur de la course en mm
3. Choix de accessoires

Remarque :

Vous trouverez des informations détaillées en bas dans les plans ou aux pages indiquées ci-dessous.

drylin® SLW - version inox - système complet

Étape 1

Sélectionnez le matériau du palier.

technical drawing
Matériau du palier :

Caractéristiques techniques :

N° de commande Arbres-Ø Ø de vis Course
max.
Weight Supplément de poids par
(100 mm)
Capacité de charge
statique max.
[mm] [mm] [mm] [kg] [kg] axiale [N] radiale [N]
prêt pour l'expédition en 4 à 6 semaines ouvrables (temporairement) SLW-ESJ-1040 0,39 0,39 29,53 1,4 0,134 157,5 630
prêt pour l'expédition en 4 à 6 semaines ouvrables (temporairement) SLW-ESX-1040 0,39 0,39 29,53 1,4 0,134 157,5 630
prêt pour l'expédition en 4 à 6 semaines ouvrables (temporairement) SLW-ESA180-1040 0,39 0,39 29,53 1,4 0,134 157,5 630
prêt pour l'expédition en 4 à 6 semaines ouvrables (temporairement) SLW-ESJ-2080 0,79 0,71 39,37 5,7 0,43 360 1440
prêt pour l'expédition en 4 à 6 semaines ouvrables (temporairement) SLW-ESA180-2080 0,79 0,71 39,37 5,7 0,43 360 1440
En savoir plus sur la pièce sélectionnée :
3D-CAD 3D-CAD
Demande d'échantillons Demande d'échantillons
PDF PDF
Demande de prix Demande de prix
myCatalog myCatalog

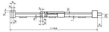
Longueur [mm] et poids

N° de commande A
-0,3
Al
-0,3
H E1
±0,15
E2
±0,15
E3
±0,15
l l2 F hw ha Prix unitaire pour une course de base de 100mm  
[mm] [mm] [mm] [mm] [mm] [mm] [mm] [mm] [mm] [mm] [mm]    
prêt pour l'expédition en 4 à 6 semaines ouvrables (temporairement) SLW-ESJ-1040 2,91 3,94 1,14 2,36 2,36 87 5,67 0,67 5,67 0,67 0,57 717,91 USD Dans le panier
prêt pour l'expédition en 4 à 6 semaines ouvrables (temporairement) SLW-ESX-1040 2,91 3,94 1,14 2,36 2,36 87 5,67 0,67 5,67 0,67 0,57 740,58 USD Dans le panier
prêt pour l'expédition en 4 à 6 semaines ouvrables (temporairement) SLW-ESA180-1040 2,91 3,94 1,14 2,36 2,36 87 5,67 0,67 5,67 0,94 0,57 717,91 USD Dans le panier
prêt pour l'expédition en 4 à 6 semaines ouvrables (temporairement) SLW-ESJ-2080 5,31 5,91 1,81 4,57 4,57 132 8,11 1,02 0 1,73 0,91 1 049,65 USD Dans le panier
prêt pour l'expédition en 4 à 6 semaines ouvrables (temporairement) SLW-ESA180-2080 5,28 5,91 1,81 4,57 4,57 132 8,11 1,02 0 1,73 0,91 Sur demande Dans le panier
En savoir plus sur la pièce sélectionnée :
3D-CAD 3D-CAD
Demande d'échantillons Demande d'échantillons
PDF PDF
Demande de prix Demande de prix
myCatalog myCatalog

Cotes [mm]

N° de commande f lt
±0,1
tk ts tg kt
±0,1
s sk sg kq d d2 & T
  [mm] [mm] [mm] [mm] [mm] [mm] [mm] [mm]
prêt pour l'expédition en 4 à 6 semaines ouvrables (temporairement) SLW-ESJ-1040 0,06 0,87 0,43 0,27 M8 0,25 0,26 0,37 M6 0,17 0,39 TR10x2
prêt pour l'expédition en 4 à 6 semaines ouvrables (temporairement) SLW-ESX-1040 0,06 0,87 0,43 0,27 M8 0,25 0,26 0,37 M6 0,17 0,39 TR10x2
prêt pour l'expédition en 4 à 6 semaines ouvrables (temporairement) SLW-ESA180-1040 0,06 0,87 0,43 0,27 M8 0,25 0,26 0,37 M6 0,17 0,39 TR10x2
prêt pour l'expédition en 4 à 6 semaines ouvrables (temporairement) SLW-ESJ-2080 0,06 1,1 0,59 0,31 M10 0,34 0,35 1,57 M8 0,22 0,79 12 h9
prêt pour l'expédition en 4 à 6 semaines ouvrables (temporairement) SLW-ESA180-2080 0,06 1,1 0,59 0,31 M10 0,34 0,35 1,57 M8 0,22 0,79 12 h9
En savoir plus sur la pièce sélectionnée :
3D-CAD 3D-CAD
Demande d'échantillons Demande d'échantillons
PDF PDF
Demande de prix Demande de prix
myCatalog myCatalog

Vont avec cette référence :

prêt pour l'expédition en 4 à 6 semaines ouvrables (temporairement) Vue d'ensemble de la gamme drylin® E

La conséquence logique de l'idée de module et de système de la technique linéaire sans graisse drylin®


prêt pour l'expédition en 4 à 6 semaines ouvrables (temporairement)

The terms "igus", "Apiro", "chainflex", "CFRIP", "conprotect", "CTD", "drylin", "dry-tech", "dryspin", "easy chain", "e-chain", "e-chain systems", "e-ketten", "e-kettensysteme", "e-skin", "e-spool", "flizz", "ibow", "igear", "iglidur", "igubal", "kineKIT", "manus", "motion plastics", "pikchain", "plastics for longer life", "readychain", "readycable", "ReBeL", "speedigus", "triflex", "robolink", "xirodur", and "xiros" are legally protected trademarks of the igus® SE & Co. KG/ Cologne in the Federal Republic of Germany and where applicable in some foreign countries.

igus® SE & Co. KG points out that it does not sell any products of the companies Allen Bradley, B&R, Baumüller, Beckhoff, Lahr, Control Techniques, Danaher Motion, ELAU, FAGOR, FANUC, Festo, Heidenhain, Jetter, Lenze, LinMot, LTi DRiVES, Mitsibushi, NUM,Parker, Bosch Rexroth, SEW, Siemens, Stöber and all other drive manufacturers mention in this website. The products offered by igus® are those of igus® SE & Co. KG