Veuillez sélectionner votre lieu de livraison

Le choix du site pays peut avoir un effet sur différents facteurs tels que le prix, les options de livraison et la disponibilité des produits.
My contact person
igus® Canada

180 Bass Pro Mills Drive

Concord

Ontario L4K 0G9

+1 (800) 965-2496
+1 905 760-8688
CA(FR)

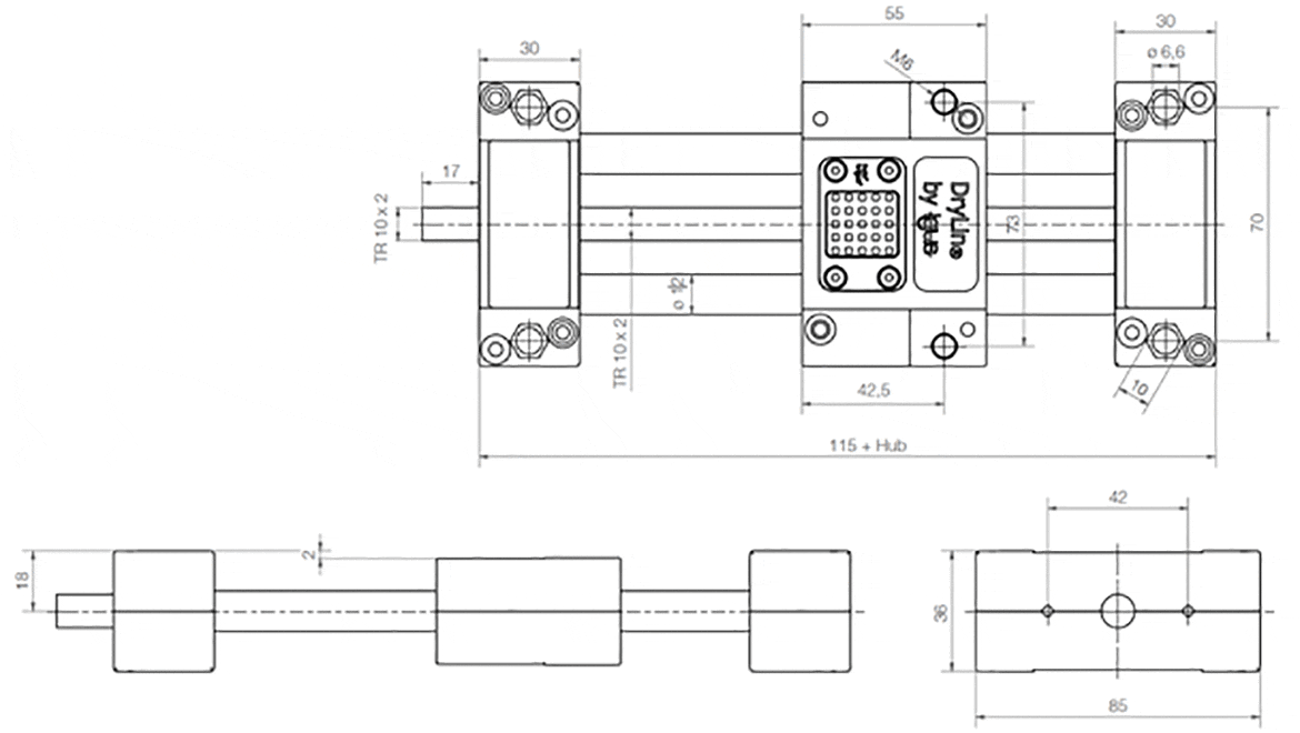
Table linéaire à vis trapézoïdale SHTP-FF à fermeture rapide

Les tables linéaires à vis trapézoïdale SHTP à mécanisme à fermeture rapide allient positionnement précis et réglage rapide à la main.

version légère toute en plastique

Pour les changements de format rapides

Freinage par blocage automatique, avec

Courses définissables à volonté

Recommandées uniquement pour les applications horizontales

Charge axiale stat. maxi 200 N

Charge axiale dyn. maxi 50 N

Vont avec cette référence :


Réf. : A Al H E1 E2 E3 l R f lt tk ts kt
  -0,3 -0,3   ±0,15 ±0,15 ±0,15 [mm] [mm] [mm] ±0,1 ±0,1    
prêt pour l'expédition en 4 à 6 semaines ouvrables (temporairement) HTSP-01-12-AWM-FF (1) 3,35 2,17 1,42 2,76 2,87 42,5 4,53 1,65 0,08 1,18 0,39 0,26 0
En savoir plus sur la pièce sélectionnée :
3D-CAD 3D-CAD
Demande d'échantillons Demande d'échantillons
PDF PDF
Demande de prix Demande de prix
myCatalog myCatalog

(1) Liners and trapezoidal leadscrew nut made of iglide® J

Réf. : sg d T l2 d2* ha Course
max.
Weight Poids supplémentaire

   
          standard   [mm] [kg] par 100 mm    
prêt pour l'expédition en 4 à 6 semaines ouvrables (temporairement) HTSP-01-12-AWM-FF (1) M6 0,47 TR10x2 0,67 TR10x2 0,71 500 0,35 0,074 Sur demande Dans le panier
En savoir plus sur la pièce sélectionnée :
3D-CAD 3D-CAD
Demande d'échantillons Demande d'échantillons
PDF PDF
Demande de prix Demande de prix
myCatalog myCatalog

(1) Liners and trapezoidal leadscrew nut made of iglide® J

appuyer > débrayer > déplacer manuellement > enclencher > ajuster

Plus d'informations :


Vont avec cette référence :

prêt pour l'expédition en 4 à 6 semaines ouvrables (temporairement) Vue d'ensemble de la gamme drylin® E

La conséquence logique de l'idée de module et de système de la technique linéaire sans graisse drylin®

prêt pour l'expédition en 4 à 6 semaines ouvrables (temporairement)

The terms "igus", "Apiro", "chainflex", "CFRIP", "conprotect", "CTD", "drylin", "dry-tech", "dryspin", "easy chain", "e-chain", "e-chain systems", "e-ketten", "e-kettensysteme", "e-skin", "e-spool", "flizz", "ibow", "igear", "iglidur", "igubal", "kineKIT", "manus", "motion plastics", "pikchain", "plastics for longer life", "readychain", "readycable", "ReBeL", "speedigus", "triflex", "robolink", "xirodur", and "xiros" are legally protected trademarks of the igus® GmbH/ Cologne in the Federal Republic of Germany and where applicable in some foreign countries.

igus® GmbH points out that it does not sell any products of the companies Allen Bradley, B&R, Baumüller, Beckhoff, Lahr, Control Techniques, Danaher Motion, ELAU, FAGOR, FANUC, Festo, Heidenhain, Jetter, Lenze, LinMot, LTi DRiVES, Mitsibushi, NUM,Parker, Bosch Rexroth, SEW, Siemens, Stöber and all other drive manufacturers mention in this website. The products offered by igus® are those of igus® GmbH