Veuillez sélectionner votre lieu de livraison

Le choix du site pays peut avoir un effet sur différents facteurs tels que le prix, les options de livraison et la disponibilité des produits.
My contact person
igus® Canada

180 Bass Pro Mills Drive

Concord

Ontario L4K 0G9

+1 (800) 965-2496
+1 905 760-8688
CA(FR)

drylin® SHT-PL "Preload" -réglage manuel du jeu

Propriétés particulières

Totalement exempte de lubrifiants

Ecrou pour vis trapézoïdale précontraint, précontrainte : 50 N

Jeu radial réglable manuellement et en continu

Faible poids grâce à la combinaison aluminium et plastique

La fin de vis permet un actionnement par le biais d'une molette ou d'un moteur

Résistance aux températures allant jusqu'à +80 °C



1 - écrou précontraint avec un ressort pour vis trapézoïdale
2 - jeu radial réglable des deux côtés

Vont avec cette référence :


SHT-PL - "Preload"

L max.:

 


Commande d'un système complet

Configuration rapide et simple

1. Choix de la taille
2. Définition de la longueur de la course en mm
3. Choix de accessoires

Remarque :

Vous trouverez des informations détaillées en bas dans les plans ou aux pages indiquées ci-dessous.

drylin® SHT-PL - système complet

Étape 1

Choisissez la taille de la table linéaire.

technical drawing
Taille :

Longueurs et poids [mm]

N° de commande Course
max.
Poids
[kg]
Poids supplémentaire
par 100 mm
[kg]
Charge statique
maxi
Prix unitaire pour course de base de 100mm  
axiale
[N]
radiale
[N]
prêt pour l'expédition en 4 à 6 semaines ouvrables (temporairement) HTS-12-AWM-PL 750 1,1 0,068 157,5 630 316,41 USD Dans le panier
prêt pour l'expédition en 4 à 6 semaines ouvrables (temporairement) HTS-20-AWM-PL 1000 3,2 0,204 360 1440 464,32 USD Dans le panier
prêt pour l'expédition en 4 à 6 semaines ouvrables (temporairement) HTS-30-AWM-PL 1250 8,6 0,408 562,5 2250 827,97 USD Dans le panier
prêt pour l'expédition en 4 à 6 semaines ouvrables (temporairement) SHT-12-EWM-PL 750 1,3 0,136 157,5 630 340,38 USD Dans le panier
prêt pour l'expédition en 4 à 6 semaines ouvrables (temporairement) SHT-20-EWM-PL 1000 3,9 0,408 360 1440 494,18 USD Dans le panier
prêt pour l'expédition en 4 à 6 semaines ouvrables (temporairement) SHT-30-EWM-PL 1250 10,9 0,952 562,5 2250 941,93 USD Dans le panier
prêt pour l'expédition en 4 à 6 semaines ouvrables (temporairement) SHT-12-SWM-PL 750 1,3 0,136 157,5 630 257,29 USD Dans le panier
prêt pour l'expédition en 4 à 6 semaines ouvrables (temporairement) SHT-20-SWM-PL 1000 3,9 0,408 360 1440 375,51 USD Dans le panier
prêt pour l'expédition en 4 à 6 semaines ouvrables (temporairement) SHT-30-SWM-PL 1250 10,9 0,952 562,5 2250 645,13 USD Dans le panier
En savoir plus sur la pièce sélectionnée :
3D-CAD 3D-CAD
Demande d'échantillons Demande d'échantillons
PDF PDF
Demande de prix Demande de prix
myCatalog myCatalog

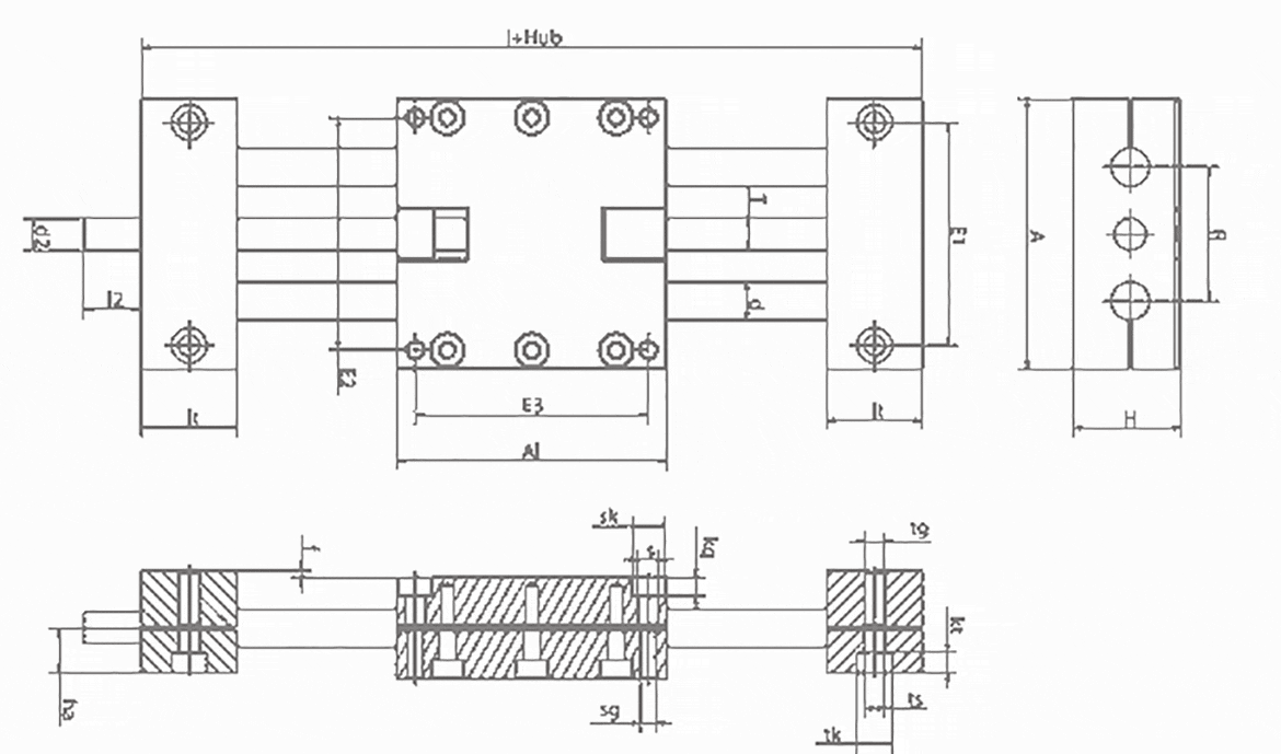
Cotes [mm]

N° de commande A
-0,3
Al
-0,3
H E1
±0,15
E2
±0,15
E3
±0,15
l R f lt
±0,1
tk ts
prêt pour l'expédition en 4 à 6 semaines ouvrables (temporairement) HTS-12-AWM-PL 3,35 3,35 1,34 2,76 2,87 74 5,71 1,65 0,08 1,18 0,43 0,26
prêt pour l'expédition en 4 à 6 semaines ouvrables (temporairement) HTS-20-AWM-PL 5,12 5,12 1,89 4,25 4,53 115 7,95 2,83 0,08 1,42 0,59 0,35
prêt pour l'expédition en 4 à 6 semaines ouvrables (temporairement) HTS-30-AWM-PL 7,09 7,09 2,68 5,91 6,22 158 11,02 3,78 0,16 1,97 0,79 0,53
prêt pour l'expédition en 4 à 6 semaines ouvrables (temporairement) SHT-12-EWM-PL 3,35 3,35 1,34 2,76 2,87 73 5,71 1,65 0,08 1,18 0,43 0,26
prêt pour l'expédition en 4 à 6 semaines ouvrables (temporairement) SHT-20-EWM-PL 5,12 5,12 1,89 4,25 4,53 115 7,95 2,83 0,08 1,42 0,59 0,35
prêt pour l'expédition en 4 à 6 semaines ouvrables (temporairement) SHT-30-EWM-PL 7,09 7,09 2,68 5,91 6,22 158 11,02 3,78 0,16 1,97 0,79 0,53
prêt pour l'expédition en 4 à 6 semaines ouvrables (temporairement) SHT-12-SWM-PL 3,35 3,35 1,34 2,76 2,87 73 5,71 1,65 0,08 1,18 0,43 0,26
prêt pour l'expédition en 4 à 6 semaines ouvrables (temporairement) SHT-20-SWM-PL 5,12 5,12 1,89 4,25 4,53 115 7,95 2,83 0,08 1,42 0,59 0,35
prêt pour l'expédition en 4 à 6 semaines ouvrables (temporairement) SHT-30-SWM-PL 7,09 7,09 2,68 5,91 6,22 158 11,02 3,78 0,16 1,97 0,79 0,53
En savoir plus sur la pièce sélectionnée :
3D-CAD 3D-CAD
Demande d'échantillons Demande d'échantillons
PDF PDF
Demande de prix Demande de prix
myCatalog myCatalog
Réf. tg kt
±0,1
s sk sg kq d T l2 d2*
standard
ha
prêt pour l'expédition en 4 à 6 semaines ouvrables (temporairement) HTS-12-AWM-PL M8 0,25 0,25 0,39 M6 0,24 0,47 TR10x2 0,67 TR10x2 0,71
prêt pour l'expédition en 4 à 6 semaines ouvrables (temporairement) HTS-20-AWM-PL M10 0,34 0,25 0,43 M8 0,28 0,79 TR18x4 1,02 12 h9 0,91
prêt pour l'expédition en 4 à 6 semaines ouvrables (temporairement) HTS-30-AWM-PL M16 0,5 0,43 0,71 M12 0,42 1,18 TR24x5 1,5 14 h9 1,42
prêt pour l'expédition en 4 à 6 semaines ouvrables (temporairement) SHT-12-EWM-PL M8 0,25 0,25 0,39 M6 0,24 0,47 TR10x2 0,67 TR10x2 0,71
prêt pour l'expédition en 4 à 6 semaines ouvrables (temporairement) SHT-20-EWM-PL M10 0,34 0,25 0,43 M8 0,28 0,79 TR18x4 1,02 12 h9 0,91
prêt pour l'expédition en 4 à 6 semaines ouvrables (temporairement) SHT-30-EWM-PL M16 0,5 0,43 0,71 M12 0,42 1,18 TR24x5 1,5 14 h9 1,42
prêt pour l'expédition en 4 à 6 semaines ouvrables (temporairement) SHT-12-SWM-PL M8 0,25 0,25 0,39 M6 0,24 0,47 TR10x2 0,67 TR10x2 0,71
prêt pour l'expédition en 4 à 6 semaines ouvrables (temporairement) SHT-20-SWM-PL M10 0,34 0,25 0,43 M8 0,28 0,79 TR18x4 1,02 12 h9 0,91
prêt pour l'expédition en 4 à 6 semaines ouvrables (temporairement) SHT-30-SWM-PL M16 0,5 0,43 0,71 M12 0,42 1,18 TR24x5 1,5 14 h9 1,42
En savoir plus sur la pièce sélectionnée :
3D-CAD 3D-CAD
Demande d'échantillons Demande d'échantillons
PDF PDF
Demande de prix Demande de prix
myCatalog myCatalog

* Sortie de vis trapézoïdale TR10x2 non usinée


Vont avec cette référence :

prêt pour l'expédition en 4 à 6 semaines ouvrables (temporairement) Vue d'ensemble de la gamme drylin® E

La conséquence logique de l'idée de module et de système de la technique linéaire sans graisse drylin®

prêt pour l'expédition en 4 à 6 semaines ouvrables (temporairement)

The terms "igus", "Apiro", "chainflex", "CFRIP", "conprotect", "CTD", "drylin", "dry-tech", "dryspin", "easy chain", "e-chain", "e-chain systems", "e-ketten", "e-kettensysteme", "e-skin", "e-spool", "flizz", "ibow", "igear", "iglidur", "igubal", "kineKIT", "manus", "motion plastics", "pikchain", "plastics for longer life", "readychain", "readycable", "ReBeL", "speedigus", "triflex", "robolink", "xirodur", and "xiros" are legally protected trademarks of the igus® SE & Co. KG/ Cologne in the Federal Republic of Germany and where applicable in some foreign countries.

igus® SE & Co. KG points out that it does not sell any products of the companies Allen Bradley, B&R, Baumüller, Beckhoff, Lahr, Control Techniques, Danaher Motion, ELAU, FAGOR, FANUC, Festo, Heidenhain, Jetter, Lenze, LinMot, LTi DRiVES, Mitsibushi, NUM,Parker, Bosch Rexroth, SEW, Siemens, Stöber and all other drive manufacturers mention in this website. The products offered by igus® are those of igus® SE & Co. KG