Veuillez sélectionner votre lieu de livraison

Le choix du site pays peut avoir un effet sur différents facteurs tels que le prix, les options de livraison et la disponibilité des produits.
My contact person
igus® Canada

180 Bass Pro Mills Drive

Concord

Ontario L4K 0G9

+1 (800) 965-2496
+1 905 760-8688
CA(FR)

drylin® SHTP Mini - petite et économique

Propriétés particulières

Version miniature

Très faible poids

très économique

résistance à la corrosion

Accessoires disponibles (molette, indicateur de position)

Chariot et traverses en polymères hautes performances

Vont avec cette référence :


SHTP Mini

L max.:

 


Commande d'un système complet

Configuration rapide et simple

1. Choix de la taille
2. Définition de la longueur de la course en mm
3. Choix de accessoires

Remarque :

Vous trouverez des informations détaillées en bas dans les plans ou aux pages indiquées ci-dessous.

drylin® SHTP - Mini - système complet

Étape 1

Choisissez la taille de la table linéaire.

technical drawing
Taille :

Longueurs et poids [mm]

N° de commande Course
max.
Poids
[kg]
Poids supplémentaire
par 100 mm
[kg]
Charge statique
maxi
Prix unitaire pour course de base de 100mm  
axiale
[N]
radiale
[N]
prêt pour l'expédition en 4 à 6 semaines ouvrables (temporairement) HTSP-01-06-AWM (1) 300 0,11 0,04 11,25 11,25 104,57 USD Dans le panier
prêt pour l'expédition en 4 à 6 semaines ouvrables (temporairement) HTSP-01-10-AWM 350 0,2 0,054 22,5 90 116,45 USD Dans le panier
En savoir plus sur la pièce sélectionnée :
3D-CAD 3D-CAD
Demande d'échantillons Demande d'échantillons
PDF PDF
Demande de prix Demande de prix
myCatalog myCatalog

(1) Carriage, square, with four symmetrical mounting bores

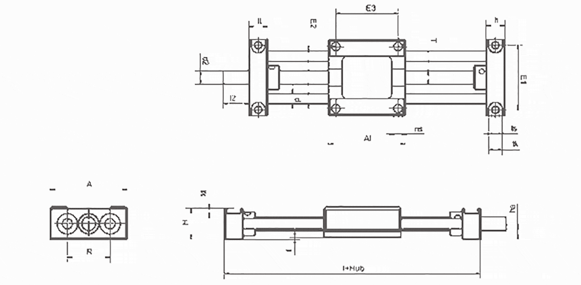
Cotes [mm]

N° de commande A
Al
H Ht E1
E2 E3 l R f lt
tk ts
prêt pour l'expédition en 4 à 6 semaines ouvrables (temporairement) HTSP-01-06-AWM (1) 1,77 1,77 0,75 0,71 1,5 1,44 36,5 2,64 0,98 0,04 0,43 0,31 0,17
prêt pour l'expédition en 4 à 6 semaines ouvrables (temporairement) HTSP-01-10-AWM 2,76 1,02 0,98 0 2,2 2,44 0 3,07 1,57 0,1 1,02 0,31 0,22
En savoir plus sur la pièce sélectionnée :
3D-CAD 3D-CAD
Demande d'échantillons Demande d'échantillons
PDF PDF
Demande de prix Demande de prix
myCatalog myCatalog

(1) Carriage, square, with four symmetrical mounting bores

Réf. s sg d T l2 d2*
standard
ha
prêt pour l'expédition en 4 à 6 semaines ouvrables (temporairement) HTSP-01-06-AWM (1) 0,2 - 0,24 M8 0,59 M8 0,35
prêt pour l'expédition en 4 à 6 semaines ouvrables (temporairement) HTSP-01-10-AWM 0,2 M5 0,39 TR08x1.5 0,59 TR08x1.5 0,49
En savoir plus sur la pièce sélectionnée :
3D-CAD 3D-CAD
Demande d'échantillons Demande d'échantillons
PDF PDF
Demande de prix Demande de prix
myCatalog myCatalog

* versions standard avec sortie de vis non usinée
(1) Carriage, square, with four symmetrical mounting bores


Vont avec cette référence :

prêt pour l'expédition en 4 à 6 semaines ouvrables (temporairement) Vue d'ensemble de la gamme drylin® E

La conséquence logique de l'idée de module et de système de la technique linéaire sans graisse drylin®

prêt pour l'expédition en 4 à 6 semaines ouvrables (temporairement)

The terms "igus", "Apiro", "chainflex", "CFRIP", "conprotect", "CTD", "drylin", "dry-tech", "dryspin", "easy chain", "e-chain", "e-chain systems", "e-ketten", "e-kettensysteme", "e-skin", "e-spool", "flizz", "ibow", "igear", "iglidur", "igubal", "kineKIT", "manus", "motion plastics", "pikchain", "plastics for longer life", "readychain", "readycable", "ReBeL", "speedigus", "triflex", "robolink", "xirodur", and "xiros" are legally protected trademarks of the igus® SE & Co. KG/ Cologne in the Federal Republic of Germany and where applicable in some foreign countries.

igus® SE & Co. KG points out that it does not sell any products of the companies Allen Bradley, B&R, Baumüller, Beckhoff, Lahr, Control Techniques, Danaher Motion, ELAU, FAGOR, FANUC, Festo, Heidenhain, Jetter, Lenze, LinMot, LTi DRiVES, Mitsibushi, NUM,Parker, Bosch Rexroth, SEW, Siemens, Stöber and all other drive manufacturers mention in this website. The products offered by igus® are those of igus® SE & Co. KG