180 Bass Pro Mills Drive
Concord
Ontario L4K 0G9
 
        Profilé en carbone robuste et rigide
Sans graisse et sans entretien
Courses individuelles
Entraînement à vis trapézoïdale et hélicoïdale
Pour déplacements manuels
Longueur maxi de 300 mm
 
         
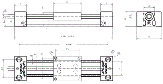
                | Référence | A -0,3 | AI | H | E1 ±0,15 | E2 ±0,15 | E3 ±0,15 | E5 | E6 | I | lc | hw | f | lt ±0,1 | ||
|---|---|---|---|---|---|---|---|---|---|---|---|---|---|---|---|
| SAW-0630-P | 2,13 | 2,36 | 1,28 | 1,57 | 1,77 | 51 | 0.43 | 23 | 4,41 | 3,62 | 3,15 | 0,53 | 1,02 | Sur demande | 
| Référence | tk | ts | sg | d | T Ø | l2 | d2 | ha | 
|---|---|---|---|---|---|---|---|---|
| SAW-0630-P | 0,43 | 0,26 | 5 | 0,2 | 8 | 0,59 | TR8x1.5 | 0,87 | 
| Référence* | Longueur de la course | Poids | supplémentaire | Vitesse maxi | Capacité de charge stat. maxi | |
|---|---|---|---|---|---|---|
| [mm] | [kg] | (par 100 mm) | [tr/min] | [mm] | radiale [N] | |
| SAW-0630-P | 300 | 0,01 | 0,047 | 738,19 | 11,25 | 11,25 | 
* Valeurs mesurées au niveau du chariot à la charge maxi admissible en montage horizontal