Veuillez sélectionner votre lieu de livraison

Le choix du site pays peut avoir un effet sur différents facteurs tels que le prix, les options de livraison et la disponibilité des produits.
My contact person
igus® Canada

180 Bass Pro Mills Drive

Concord

Ontario L4K 0G9

+1 (800) 965-2496
+1 905 760-8688
CA(FR)

Tables croisées drylin® SHT/SHT-PL

Propriétés particulières des tables croisées

Précision élevée, rigidité extrême et alignement précis grâce à une fabrication CNC

disponible en version Standard et Preload

100% sans lubrifiant et totalement insensible à la corrosion

Réglage par vis trapézoïdale TR 10x2

Montage possible de l´unité supérieure avec alignement à gauche ou à droite

Accessoires disponibles (molette, indicateur de position…)

Tables croisées

Références allant avec ces tables croisées :


Tables croisées SHT/SHT-PL


Commande de tables croisées

Configuration de tables croisées en quelques étapes seulement :

1. Choix de la taille
2. Définition de la longueur de la course en mm
3. Choix de accessoires

Remarque :

Vous trouverez des informations détaillées en bas dans les plans ou aux pages indiquées ci-dessous.

Tables croisées drylin® SHT/SHT-PL - système complet

Étape 1

Sélectionnez la taille de la table croisée.

technical drawing
Taille :

Autres informations et accessoires pour tables croisées


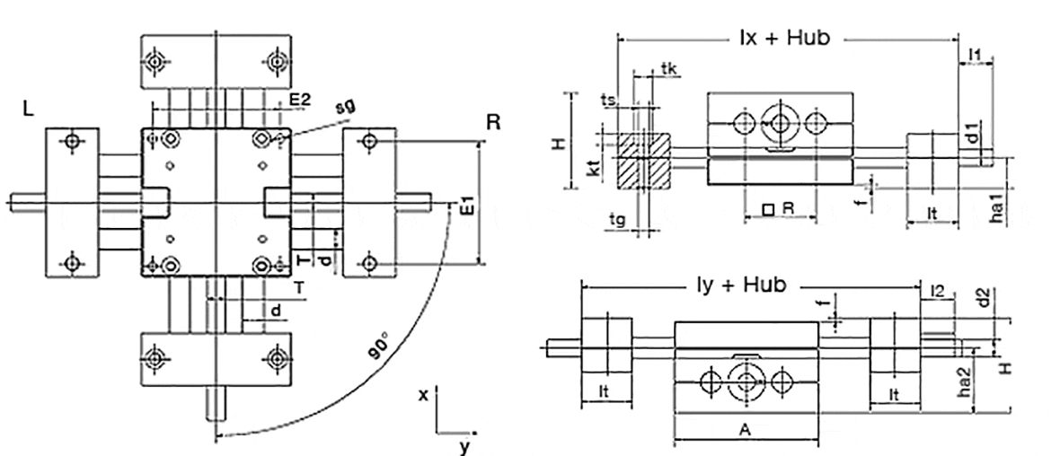
Longueurs et poids tables croisées [mm]

N° de commande A
 -0,3
 [mm]
H
 
[mm]
E1
±0,15
[mm]
E2
±0,15
[mm]
Longueur
de base lx
[mm]
Longueur
de base ly
[mm]
R
 
[mm]
f
 
[mm]
lt
±0,1
[mm]
tk
 
[mm]
ts
 
[mm]
tg
 
kt
 
[mm]
prêt pour l'expédition en 4 à 6 semaines ouvrables (temporairement) SHT-XY-12 3,35 2,2 2,76 2,87 5,71 145 1,65 0,08 1,18 0,43 0,26 M8 0,25
prêt pour l'expédition en 4 à 6 semaines ouvrables (temporairement) SHT-XY-08 2,56 1,65 2,05 2,2 3,78 96 1,26 0,06 0,61 0,39 0,22 M6 0,28
prêt pour l'expédition en 4 à 6 semaines ouvrables (temporairement) HTS-XY-12-PL 3,35 2,2 2,76 2,87 5,71 145 1,65 0,08 1,18 0,43 0,26 M8 0,25
prêt pour l'expédition en 4 à 6 semaines ouvrables (temporairement) HTS-XY-20-EWM-PL 5,12 3,39 4,25 4,53 7,95 202 2,83 0,08 1,42 0,59 0,35 M10 0,34
En savoir plus sur la pièce sélectionnée :
3D-CAD 3D-CAD
Demande d'échantillons Demande d'échantillons
PDF PDF
Demande de prix Demande de prix
myCatalog myCatalog

Cotes tables croisées [mm]

N° de commande sg


d

[mm]
T

l1

[mm]
d1
standard
d1
alternative
l2

[mm]
d2
standard
d2
alternative
ha1

[mm]
ha2

[mm]
W
ha2-ha1
[mm]
prêt pour l'expédition en 4 à 6 semaines ouvrables (temporairement) SHT-XY-12 M6 0,47 TR10x2 0,67 TR10x2 6h9 0,67 6h9 0,71 1,5 20
prêt pour l'expédition en 4 à 6 semaines ouvrables (temporairement) SHT-XY-08 M5 0,31 TR6x2/TR6.35x2.54 0,61 TR6x2/TR6,35x2,54 5 0,59 5 0,51 1,14 16
prêt pour l'expédition en 4 à 6 semaines ouvrables (temporairement) HTS-XY-12-PL M6 0,47 TR10x2 0,67 TR10x2 6h9 0,67 6h9 0,71 1,5 20
prêt pour l'expédition en 4 à 6 semaines ouvrables (temporairement) HTS-XY-20-EWM-PL M8 0,79 TR18x4 1,02 TR18x4 - 1,02 12h9 0,91 2,48 40
En savoir plus sur la pièce sélectionnée :
3D-CAD 3D-CAD
Demande d'échantillons Demande d'échantillons
PDF PDF
Demande de prix Demande de prix
myCatalog myCatalog
La molette de l´axe y peut être commandée montée à gauche ou à droite.
A gauche : SHT-XY-12-AWM-L-200-300 pour longueur de déplacement de 200 mm dans l´axe x et de 300 mm dans l´axe y.
A droite : SHT-XY-12-AWM-R-200-300 pour longueur de déplacement de 200 mm dans l´axe x et de 300 mm dans l´axe y

Références allant avec ces tables croisées :

prêt pour l'expédition en 4 à 6 semaines ouvrables (temporairement) Vue d'ensemble de la gamme drylin® E

La conséquence logique de l'idée de module et de système de la technique linéaire sans graisse drylin®

prêt pour l'expédition en 4 à 6 semaines ouvrables (temporairement)

The terms "igus", "Apiro", "chainflex", "CFRIP", "conprotect", "CTD", "drylin", "dry-tech", "dryspin", "easy chain", "e-chain", "e-chain systems", "e-ketten", "e-kettensysteme", "e-skin", "e-spool", "flizz", "ibow", "igear", "iglidur", "igubal", "kineKIT", "manus", "motion plastics", "pikchain", "plastics for longer life", "readychain", "readycable", "ReBeL", "speedigus", "triflex", "robolink", "xirodur", and "xiros" are legally protected trademarks of the igus® SE & Co. KG/ Cologne in the Federal Republic of Germany and where applicable in some foreign countries.

igus® SE & Co. KG points out that it does not sell any products of the companies Allen Bradley, B&R, Baumüller, Beckhoff, Lahr, Control Techniques, Danaher Motion, ELAU, FAGOR, FANUC, Festo, Heidenhain, Jetter, Lenze, LinMot, LTi DRiVES, Mitsibushi, NUM,Parker, Bosch Rexroth, SEW, Siemens, Stöber and all other drive manufacturers mention in this website. The products offered by igus® are those of igus® SE & Co. KG