Veuillez sélectionner votre lieu de livraison

Le choix du site pays peut avoir un effet sur différents facteurs tels que le prix, les options de livraison et la disponibilité des produits.
My contact person
igus® Canada

180 Bass Pro Mills Drive

Concord

Ontario L4K 0G9

+1 (800) 965-2496
+1 905 760-8688
CA(FR)

drylin® N - Guidages linéaires miniatures, NK-02-80

Version 02 - standard à taraudages
Version 12 - à taraudages, surmoulé
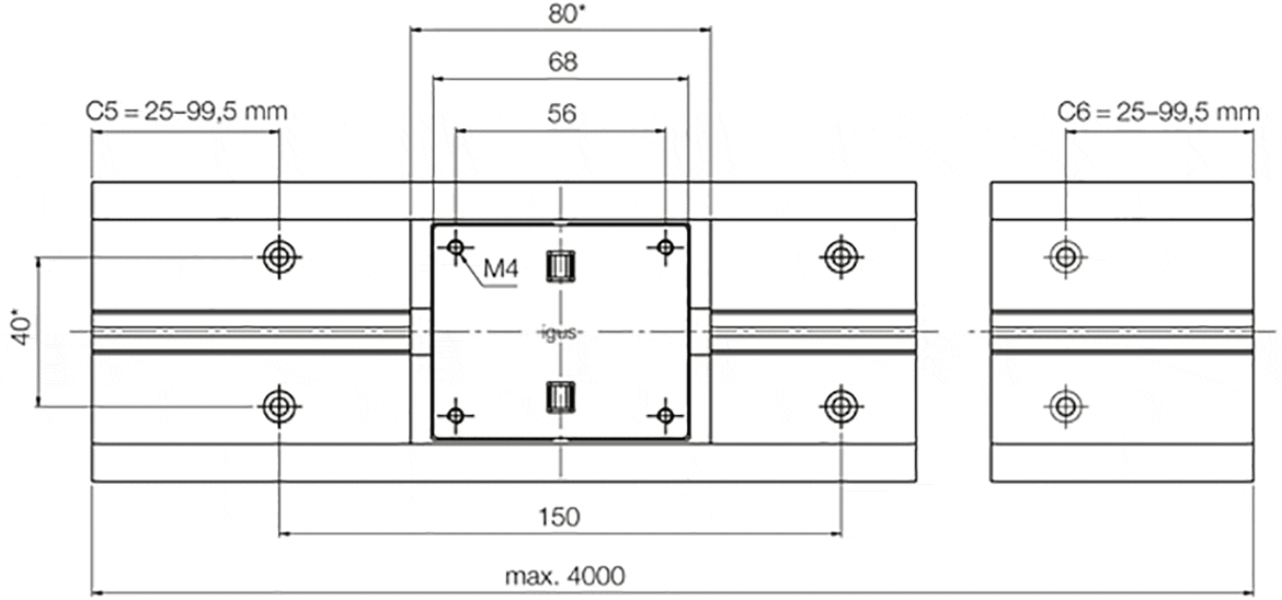
Référence Longueurs maxi de rails a C4 A3 C5=C6 h h1 K1* ly lz Poids des rails Prix / m  
  [L maxi]       mini max.       [mm2] [mm2] [g/m]    
prêt pour l'expédition en 4 à 6 semaines ouvrables (temporairement) NS-01-80 157,48 3,15 5,91 1,57 25 99,5 0,43 0,06 M4 10677,17 114,17 12,257 83,57 USD Dans le panier
prêt pour l'expédition en 4 à 6 semaines ouvrables (temporairement) NS-01-80-AR 157,48 3,15 5,91 0 20 99,5 0,43 0,06 1067,72 114,17 12,257 101,02 USD Dans le panier
prêt pour l'expédition en 4 à 6 semaines ouvrables (temporairement) NS-01-80S 157,48 3,15 0 0 0,43 0,06 1067,72 114,17 12,257 74,03 USD Dans le panier
En savoir plus sur la pièce sélectionnée :
3D-CAD 3D-CAD
Demande d'échantillons Demande d'échantillons
PDF PDF
Demande de prix Demande de prix
myCatalog myCatalog

Pour les rails non percés, veuillez indiquer "non percé" dans la remarque.
* Pour vis cylindrique à tête basse

Version 02 - standard à taraudages :

N° de commande Désignation Poids du patin    
    [g]    
prêt pour l'expédition en 4 à 6 semaines ouvrables (temporairement) NW-02-80 Carriage 3,53 19,34 USD Dans le panier
prêt pour l'expédition en 4 à 6 semaines ouvrables (temporairement) NW-02-80-LLY Carriage with mounting nuts floating bearing in y-direction 3,53 19,34 USD Dans le panier
prêt pour l'expédition en 4 à 6 semaines ouvrables (temporairement) NW-02-80-LLZ Carriage with mounting nuts floating bearing in z-direction 3,53 19,34 USD Dans le panier
NW-02-80AL 3,53 Sur demande Dans le panier
prêt pour l'expédition en 4 à 6 semaines ouvrables (temporairement) NW-02-80-LLYZ Carriage with mounting nuts floating bearing in y- and z-direction 3,53 19,34 USD Dans le panier
En savoir plus sur la pièce sélectionnée :
3D-CAD 3D-CAD
Demande d'échantillons Demande d'échantillons
PDF PDF
Demande de prix Demande de prix
myCatalog myCatalog

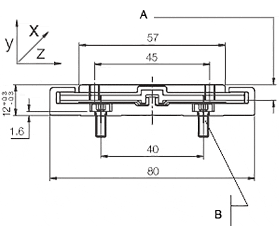
Version 02 : cotes [mm] - patin

Réf. : H A C C1 C2 A2 H2 K2 K3 K4 Spmin. DpØmin. Weight
  ±0,35                       [g/m]
prêt pour l'expédition en 4 à 6 semaines ouvrables (temporairement) NW-02-80 0,47 2,24 3,15 2,68 56 1,77 0 M4 0 0 3,53
prêt pour l'expédition en 4 à 6 semaines ouvrables (temporairement) NW-02-80-LLY 0,47 2,24 3,15 2,68 56 1,77 0 M4 0 0 3,53
prêt pour l'expédition en 4 à 6 semaines ouvrables (temporairement) NW-02-80-LLZ 0,47 2,24 3,15 2,68 56 1,77 0 M4 0 0 3,53
NW-02-80AL 0,47 2,24 3,15 2,68 56 1,77 0 M4 0 0 3,53
prêt pour l'expédition en 4 à 6 semaines ouvrables (temporairement) NW-02-80-LLYZ 0,47 2,24 3,15 2,68 56 1,77 0 M4 0 0 3,53
En savoir plus sur la pièce sélectionnée :
3D-CAD 3D-CAD
Demande d'échantillons Demande d'échantillons
PDF PDF
Demande de prix Demande de prix
myCatalog myCatalog

Version 12 - à taraudages, surmoulé :

N° de commande Désignation Poids du patin    
   : [g]    
prêt pour l'expédition en 4 à 6 semaines ouvrables (temporairement) NW-12-80 3,53 21,28 USD Dans le panier
prêt pour l'expédition en 4 à 6 semaines ouvrables (temporairement) NW-12-80-LLY 3,53 21,28 USD Dans le panier
prêt pour l'expédition en 4 à 6 semaines ouvrables (temporairement) NW-12-80-LLZ 3,53 21,28 USD Dans le panier
prêt pour l'expédition en 4 à 6 semaines ouvrables (temporairement) NW-12-80-LLYZ 3,53 21,28 USD Dans le panier
En savoir plus sur la pièce sélectionnée :
3D-CAD 3D-CAD
Demande d'échantillons Demande d'échantillons
PDF PDF
Demande de prix Demande de prix
myCatalog myCatalog

Version 12 : cotes [mm] - patin

Réf. : H A C C1 C2 A2 H2 K2 K3 K4 Spmin. DpØmin. Weight
  ±0,35                       [g/m]
prêt pour l'expédition en 4 à 6 semaines ouvrables (temporairement) NW-12-80 0,47 2,24 3,27 2,68 56 1,77 0 M4 0 0 3,53
prêt pour l'expédition en 4 à 6 semaines ouvrables (temporairement) NW-12-80-LLY 0,47 2,24 3,27 2,68 56 1,77 0 M4 0 0 3,53
prêt pour l'expédition en 4 à 6 semaines ouvrables (temporairement) NW-12-80-LLZ 0,47 2,24 3,27 2,68 56 1,77 0 M4 0 0 3,53
prêt pour l'expédition en 4 à 6 semaines ouvrables (temporairement) NW-12-80-LLYZ 0,47 2,24 3,27 2,68 56 1,77 0 M4 0 0 3,53
En savoir plus sur la pièce sélectionnée :
3D-CAD 3D-CAD
Demande d'échantillons Demande d'échantillons
PDF PDF
Demande de prix Demande de prix
myCatalog myCatalog

Commande d'un système complet

Configuration rapide et simple

1. Définition du nombre de patins
2. Type de patin
3. Longueur de rail en mm
4. Options pour les patins
5. Options pour les rails

Note :

Vous trouverez des informations détaillées en bas dans les plans ou aux pages indiquées ci-dessous. Vous trouverez des informations précises concernant les paliers flottants sous la rubrique "Consignes de construction"
1

Pas de palier flottant

2

Patin flottant dans l'axe Z

3

Patin flottant dans l'axe Y

4

Patin flottant dans l'axe y et z

drylin® NK – système complet

Étape 1

Indiquez le nombre de patins souhaités.

technical drawing
Nombre de patins :

* Longueur de patin pour version NW-12-80 = 83 mm
M4 (couple maxi de serrage 1,2 Nm)

Capacité de charge statique et couple surfacique d'inertie

A = hauteur de vis max. 6,5 mm
B = M4 (couple de serrage max. 2,0 Nm)>
DIN 7984/DIN 6912/DIN 84
EN ISO 1707

prêt pour l'expédition en 4 à 6 semaines ouvrables (temporairement)

The terms "igus", "Apiro", "chainflex", "CFRIP", "conprotect", "CTD", "drylin", "dry-tech", "dryspin", "easy chain", "e-chain", "e-chain systems", "e-ketten", "e-kettensysteme", "e-skin", "e-spool", "flizz", "ibow", "igear", "iglidur", "igubal", "kineKIT", "manus", "motion plastics", "pikchain", "plastics for longer life", "readychain", "readycable", "ReBeL", "speedigus", "triflex", "robolink", "xirodur", and "xiros" are legally protected trademarks of the igus® GmbH/ Cologne in the Federal Republic of Germany and where applicable in some foreign countries.

igus® GmbH points out that it does not sell any products of the companies Allen Bradley, B&R, Baumüller, Beckhoff, Lahr, Control Techniques, Danaher Motion, ELAU, FAGOR, FANUC, Festo, Heidenhain, Jetter, Lenze, LinMot, LTi DRiVES, Mitsibushi, NUM,Parker, Bosch Rexroth, SEW, Siemens, Stöber and all other drive manufacturers mention in this website. The products offered by igus® are those of igus® GmbH