180 Bass Pro Mills Drive
Concord
Ontario L4K 0G9
 
         
        | N° de commande | Longueur d´arbre maxi | a | C4 | A3 | C5=C6 | h | h1 | K1* | ly | lz | Poids du rail | Prix / m | ||
|---|---|---|---|---|---|---|---|---|---|---|---|---|---|---|
| [L max.] | min. | max. | [mm2] | [mm2] | [g/m] | |||||||||
| NS-01-27 | 118,11 | 1,06 | 2,36 | 0 | 0,79 | 20/49,5 | 0,35 | 0,04 | M4 | 256,85 | 23,15 | 3,118 | 55,91 USD | |
| NS-01-27S | 118,11 | 1,06 | 0 | 0 | 0 | 0,35 | 0,04 | 0 | 256,85 | 23,15 | 3,118 | 47,74 USD | ||
| NS-01-27-AR | 118,11 | 1,06 | 2,36 | 0 | 0,79 | 20/49,5 | 0,35 | 0,04 | M4 | 256,85 | 23,15 | 3,118 | 62,94 USD | |
                    Pour les rails non percés, veuillez indiquer "non percé" dans la remarque.
* Pour vis cylindrique à tête basse
                
| N° de commande | Désignation | Poids du patin | ||
|---|---|---|---|---|
| [g] | ||||
| NW-02-27-HT | Carriage clipped, temperatures up to 130°C | 0,44 | 26,75 USD | |
| NW-02-27-P | Carriage with preload | 0,44 | 7,45 USD | |
| NW-02-27-LLY | Carriage with mounting nuts floating bearing in y-direction | 0,44 | 7,45 USD | |
| NW-02-27-LLZ | Carriage with mounting nuts floating bearing in z-direction | 0,44 | 7,45 USD | |
| NW-02-27-LLYZ | Carriage with mounting nuts floating bearing in y- and z-direction | 0,44 | 7,45 USD | 
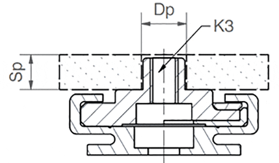
| Réf. : | H | A | C | C1 | C2 | A2 | H2 | K2 | K3 | K4 | Spmin. | DpØmin. | Weight | 
|---|---|---|---|---|---|---|---|---|---|---|---|---|---|
| ±0,35 | [g/m] | ||||||||||||
| NW-02-27-HT | 0,37 | 0,55 | 1,57 | 1,18 | 20 | 0 | 0 | 0,26 | 0,44 | ||||
| NW-02-27-P | 0,37 | 0,55 | 1,57 | 1,18 | 20 | 0 | 0 | M4 | 0,2 | 0,26 | 0,44 | ||
| NW-02-27-LLY | 0,37 | 0,55 | 1,57 | 1,18 | 20 | 0 | 0 | M4 | 0,2 | 0,26 | 0,44 | ||
| NW-02-27-LLZ | 0,37 | 0,55 | 1,57 | 1,18 | 20 | 0 | 0 | M4 | 0,2 | 0,26 | 0,44 | ||
| NW-02-27-LLYZ | 0,37 | 0,55 | 1,57 | 1,18 | 20 | 0 | 0 | M4 | 0,2 | 0,26 | 0,44 | 
| N° de commande | Désignation | Poids du patin | ||
|---|---|---|---|---|
| [g] | ||||
| NW-12-27-LLY | 0,46 | 7,45 USD | ||
| NW-12-27-LLZ | 0,46 | 7,45 USD | ||
| NW-12-27-LLYZ | 0,46 | 7,45 USD | 
| Réf. : | H | A | C | C1 | C2 | A2 | H2 | K2 | K3 | K4 | Spmin. | DpØmin. | Weight | 
|---|---|---|---|---|---|---|---|---|---|---|---|---|---|
| ±0,35 | [g/m] | ||||||||||||
| NW-12-27-LLY | 0,37 | 0,55 | 1,34 | 1,18 | 20 | 0 | 0 | M4 | 0,2 | 0,26 | 0,46 | ||
| NW-12-27-LLZ | 0,37 | 0,55 | 1,34 | 1,18 | 20 | 0 | 0 | M4 | 0,2 | 0,26 | 0,46 | ||
| NW-12-27-LLYZ | 0,37 | 0,55 | 1,34 | 1,18 | 20 | 0 | 0 | M4 | 0,2 | 0,26 | 0,46 | 
Pas de palier flottant
2Patin flottant dans l'axe Z
3Patin flottant dans l'axe Y
4Patin flottant dans l'axe y et z
 
        Indiquez le nombre de patins souhaités.
 
      