Veuillez sélectionner votre lieu de livraison

Le choix du site pays peut avoir un effet sur différents facteurs tels que le prix, les options de livraison et la disponibilité des produits.
My contact person
igus® Canada

180 Bass Pro Mills Drive

Concord

Ontario L4K 0G9

+1 (800) 965-2496
+1 905 760-8688
CA(FR)

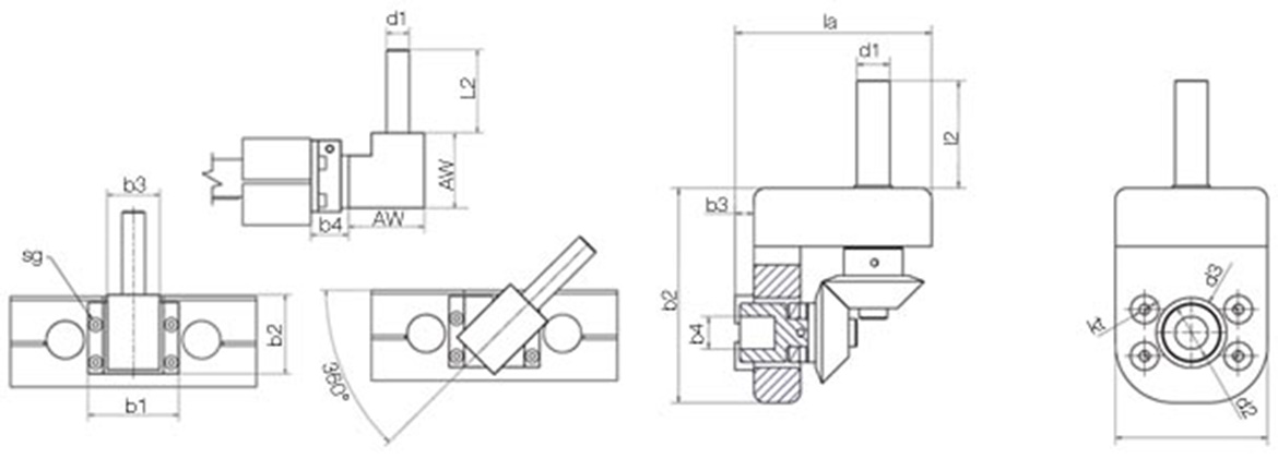
Renvois d´angle drylin® SHT

Les renvois d´angle DryLin® SHT-WT offrent une flexibilité extrême pour le positionnement.
Disponible en deux variantes :

Renvois d´angle SHT - WT-3000

Le produit standard pour trois tailles, disponible comme système fermé avec boîtier en aluminium.

Adaptation flexible à votre position de montage grâce à un réglage en continu de l´angle (pivotement de 360° possible)

Couple maxi 3 Nm

Adaptateur disponible pour blocage / indicateur de position drylin®

Compatible avec drylin® SHT/SHTC (tailles 12 et 20) et SLW-1040, SLW-1660 et SLW-2080

SHT-30 sur demande

Renvoi d´angle en design hygiénique - WT-1100

Cette variante de renvoi d´angle en inox-polymères sans entretien et rinçable répond aux règles du design hygiénique.

Sans lubrifiants

Couple maxi 3 Nm

Composants en inox

Nettoyage / rinçage simples avec de l´eau

Compatible avec tables linéaires drylin® SHTC-20-EWM-HYD

 Référence :IAWL2b1b2b3b4d1sg 
  [mm][mm][mm][mm][mm][mm][mm][mm][mm] 
 SHT-WT-3000 | 35001:140264842282010M4 Demander
 SHT-WT-31001:140264842282012M4 Demander
 SHT-WT-3600 | 37001:140264842283012M4 Demander
  Réf. : I kt La L2 b1 b2 b3 b4 d1 d2 d3 sg  
    [mm] [mm] [mm] [mm] [mm] [mm] [mm] [mm] [mm] [mm] [mm] [mm]  
  WT-1100 1:1 45 84 26 65 92 8 8 14 25 30 14  Demandes
Réf. : I AW kt L2 La b1 b2 b3 b4 d1 d2 d3 sg    
  [mm] [mm] [mm] [mm] [mm] [mm] [mm] [mm] [mm] [mm] [mm] [mm] [mm]    
prêt pour l'expédition en 4 à 6 semaines ouvrables (temporairement) WT-3000 1,57 1,02 1,65 1,1 0,79 1,89 0,47 M4 228,53 USD Dans le panier
prêt pour l'expédition en 4 à 6 semaines ouvrables (temporairement) WT-3100 1,57 1,02 1,65 1,1 0,79 1,89 0,47 M4 232,03 USD Dans le panier
prêt pour l'expédition en 4 à 6 semaines ouvrables (temporairement) WT-3500 1,57 1,02 1,65 1,1 0,79 1,89 0,47 M4 228,53 USD Dans le panier
prêt pour l'expédition en 4 à 6 semaines ouvrables (temporairement) WT-3600 1,57 1,02 1,65 1,1 1,18 1,89 0,47 M4 228,53 USD Dans le panier
prêt pour l'expédition en 4 à 6 semaines ouvrables (temporairement) WT-3700 1,57 1,02 1,65 1,1 1,18 1,89 0,47 M4 228,53 USD Dans le panier
prêt pour l'expédition en 4 à 6 semaines ouvrables (temporairement) WT-4000 2,36 1,02 2,01 1,57 0,91 2,05 0,55 M4 Sur demande Dans le panier
HTS-WT-20-ES-HYD 1:1 0,18 1,02 3,31 2,56 3,62 0,31 0,47 0,55 0,98 1.18 14 Sur demande Dans le panier
prêt pour l'expédition en 4 à 6 semaines ouvrables (temporairement) WT-4100 2,36 1,02 2,01 1,57 0,91 2,05 0,55 M4 676,75 USD Dans le panier
prêt pour l'expédition en 4 à 6 semaines ouvrables (temporairement) WT-4200 2,36 1,02 2,01 1,57 0,91 2,05 0,55 M4 512,39 USD Dans le panier
prêt pour l'expédition en 4 à 6 semaines ouvrables (temporairement) WT-4700 2,36 1,02 2,01 1,57 0,91 2,05 0,55 M4 676,75 USD Dans le panier
prêt pour l'expédition en 4 à 6 semaines ouvrables (temporairement) WT-4600 2,36 1,02 2,01 1,57 1,3 2,05 0,55 M4 676,75 USD Dans le panier
En savoir plus sur la pièce sélectionnée :
3D-CAD 3D-CAD
Demande d'échantillons Demande d'échantillons
PDF PDF
Demande de prix Demande de prix
myCatalog myCatalog

Autres accessoires :


prêt pour l'expédition en 4 à 6 semaines ouvrables (temporairement)

The terms "igus", "Apiro", "chainflex", "CFRIP", "conprotect", "CTD", "drylin", "dry-tech", "dryspin", "easy chain", "e-chain", "e-chain systems", "e-ketten", "e-kettensysteme", "e-skin", "e-spool", "flizz", "ibow", "igear", "iglidur", "igubal", "kineKIT", "manus", "motion plastics", "pikchain", "plastics for longer life", "readychain", "readycable", "ReBeL", "speedigus", "triflex", "robolink", "xirodur", and "xiros" are legally protected trademarks of the igus® GmbH/ Cologne in the Federal Republic of Germany and where applicable in some foreign countries.

igus® GmbH points out that it does not sell any products of the companies Allen Bradley, B&R, Baumüller, Beckhoff, Lahr, Control Techniques, Danaher Motion, ELAU, FAGOR, FANUC, Festo, Heidenhain, Jetter, Lenze, LinMot, LTi DRiVES, Mitsibushi, NUM,Parker, Bosch Rexroth, SEW, Siemens, Stöber and all other drive manufacturers mention in this website. The products offered by igus® are those of igus® GmbH