Veuillez sélectionner votre lieu de livraison

Le choix du site pays peut avoir un effet sur différents facteurs tels que le prix, les options de livraison et la disponibilité des produits.
My contact person
igus® Canada

180 Bass Pro Mills Drive

Concord

Ontario L4K 0G9

+1 (800) 965-2496
+1 905 760-8688
CA(FR)

Unité de réglage universelle pour système de rappel RS + RSP

Unité de réglage triflex R
L'unité de réglage disponible en option est placée entre le bras du robot et le système de rappel et elle permet une adaptation précise de la position de montage de nos systèmes de rappel igus® sur le bras du robot. Recommandé lorsque différentes portées doivent être atteintes avec une même gaine d'accastillage.
 
  • Large plage de réglage de ± 250 mm
  • Combinaison possible avec les consoles d'adaptation igus®
  • Facilite l'alignement dans les cellules à espace restreint
  • Poids : 5,0 kg

Unités de réglage pour systèmes de rappel triflex® RSP et RS

Unité de réglage de système de rappel
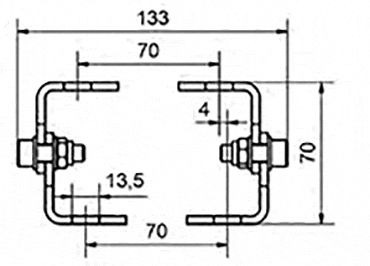
Plan

L'unité de réglage disponible en option est placée entre le bras du robot et le système de rappel et elle permet une adaptation précise de la position de montage de nos systèmes de rappel igus® sur le bras du robot. Recommandé lorsque différentes portées doivent être atteintes avec un même faisceau de câbles.
 

Large plage de réglage de ± 250 mm

Combinaison possible avec les consoles d'adaptation igus®

Facilite l'alignement dans les cellules à espace restreint

Poids : 5 kg


 
Disponible sur demande à la référence TR.907.595  

Commander une unité de réglage


Systèmes de rappel correspondants


prêt pour l'expédition en 6 à 8 semaines ouvrables (temporairement)

Conseil

I would be happy to answer your questions personally

Transport et conseils

En personne:

Du lundi au vendredi de 8h à 17h

Online:

24h


The terms "igus", "Apiro", "chainflex", "CFRIP", "conprotect", "CTD", "drylin", "dry-tech", "dryspin", "easy chain", "e-chain", "e-chain systems", "e-ketten", "e-kettensysteme", "e-skin", "e-spool", "flizz", "ibow", "igear", "iglidur", "igubal", "kineKIT", "manus", "motion plastics", "pikchain", "plastics for longer life", "readychain", "readycable", "ReBeL", "speedigus", "triflex", "robolink", "xirodur", and "xiros" are legally protected trademarks of the igus® SE & Co. KG/ Cologne in the Federal Republic of Germany and where applicable in some foreign countries.

igus® SE & Co. KG points out that it does not sell any products of the companies Allen Bradley, B&R, Baumüller, Beckhoff, Lahr, Control Techniques, Danaher Motion, ELAU, FAGOR, FANUC, Festo, Heidenhain, Jetter, Lenze, LinMot, LTi DRiVES, Mitsibushi, NUM,Parker, Bosch Rexroth, SEW, Siemens, Stöber and all other drive manufacturers mention in this website. The products offered by igus® are those of igus® SE & Co. KG