Veuillez sélectionner votre lieu de livraison

Le choix du site pays peut avoir un effet sur différents facteurs tels que le prix, les options de livraison et la disponibilité des produits.

Série P4.32

1

Système de Chaînes Porte-Câbles à roulettes en polymères tribo-optimisés, exigeant peu d´entretien

2

Entretoises AUTO-GLIDE en forme de peigne

3

Roulettes et maillons spéciaux pour un faible niveau sonore

4

Brin supérieur et brin inférieur ne se rencontrent pas

5

Pas identique avec ou sans roulettes

6

4 hauteurs internes : 32 mm, 42 mm, 56 mm et 80 mm


Plan technique chaîne porte-câbles igus P4_32
Plan technique chaîne porte-câbles igus P4_32_b
Plan technique chaîne porte-câbles igus P4
Plan technique chaîne porte-câbles igus P4_32
A1 = point mobile A2 = point fixe B1 = point mobile
B2 = point fixe B3 = goulotte de guidage avec
bande de glissement
B4 = goulotte de guidage sans
bande de glissement
B5 = longueur totale goulotte
de guidage
S = course R = rayon de courbure
H = hauteur de montage nominale HF = Hauteur de construction nécessaire HRI = Hauteur interne goulotte
D = porte-à-faux, rayon de la
Chaîne en position finale
K = π • R + "sécurité" D2 = Porte-à-faux sur les courses
longues glissantes
K2 = *supplément H2 = *hauteur de montage ∆CL = point fixe décalé
*avec point mobile rabaissé
 
Courses longues de 10 m à 600 m max.
Vitesse maxi en roulement / accélération maxi en roulement max. 10 [m/s] / max. 50 [m/s²]
Masse de remplissage max. 7,00 [kg/m]
Matériau - Température admissible °C igumid G / -40° à +120° C
Classe d´inflammabilité, igumid G VDE 0304 IIC UL94 HB

Gamme de produits Série P4.32

Réf. : Largeur intérieure Largeur extérieure Hauteur interne Hauteur extérieure Rayon de courbure patin H D K    
  Bi [mm] Ba [mm] hi [mm] ha [mm] R [mm] [kg/m]          
prêt pour l'expédition en 5 à 7 semaines P4-32-25-220-0 9,84 11,1 1,26 2,13 8,66 2,325 21,26 10,24 Sur demande Dans le panier
P4-32-10-075-0 3,94 5,2 1,26 2,13 2,95 1,821 8,23 6,3 13,78 Sur demande Dans le panier
P4-32-10-100-0 3,94 5,2 1,26 2,13 3,94 1,821 10,2 7,28 16,93 Sur demande Dans le panier
P4-32-10-125-0 3,94 5,2 1,26 2,13 4,92 1,821 12,17 8,27 19,88 Sur demande Dans le panier
P4-32-10-150-0 3,94 5,2 1,26 2,13 5,91 1,821 14,13 9,25 23,03 Sur demande Dans le panier
P4-32-10-175-0 3,94 5,2 1,26 2,13 6,89 1,821 15,91 11,26 25,98 Sur demande Dans le panier
P4-32-10-200-0 3,94 5,2 1,26 2,13 7,87 1,821 18,07 11,22 29,33 Sur demande Dans le panier
P4-32-10-220-0 3,94 5,2 1,26 2,13 8,66 1,821 19,45 13,03 31,69 Sur demande Dans le panier
P4-32-10-250-0 3,94 5,2 1,26 2,13 9,84 1,821 22,01 13,19 35,43 Sur demande Dans le panier
P4-32-10-300-0 3,94 5,2 1,26 2,13 11,81 1,821 25,94 15,16 41,54 Sur demande Dans le panier
P4-32-15-075-0 5,91 7,17 1,26 2,13 2,95 2,043 8,23 6,3 13,78 Sur demande Dans le panier
P4-32-15-100-0 5,91 7,17 1,26 2,13 3,94 2,043 10,2 7,28 16,93 Sur demande Dans le panier
P4-32-15-125-0 5,91 7,17 1,26 2,13 4,92 2,043 12,17 8,27 19,88 Sur demande Dans le panier
P4-32-15-150-0 5,91 7,17 1,26 2,13 5,91 2,043 14,13 9,25 23,03 Sur demande Dans le panier
P4-32-15-175-0 5,91 7,17 1,26 2,13 6,89 2,043 15,91 11,26 25,98 Sur demande Dans le panier
P4-32-15-200-0 5,91 7,17 1,26 2,13 7,87 2,043 18,07 11,22 29,33 Sur demande Dans le panier
P4-32-15-220-0 5,91 7,17 1,26 2,13 8,66 2,043 19,45 13,03 31,69 Sur demande Dans le panier
P4-32-15-250-0 5,91 7,17 1,26 2,13 9,84 2,043 22,01 13,19 35,43 Sur demande Dans le panier
P4-32-15-300-0 5,91 7,17 1,26 2,13 11,81 2,043 25,94 15,16 41,54 Sur demande Dans le panier
P4-32-20-075-0 7,87 9,13 1,26 2,13 2,95 2,245 8,23 6,3 13,78 Sur demande Dans le panier
P4-32-20-100-0 7,87 9,13 1,26 2,13 3,94 2,245 10,2 7,28 16,93 Sur demande Dans le panier
P4-32-20-125-0 7,87 9,13 1,26 2,13 4,92 2,245 12,17 8,27 19,88 Sur demande Dans le panier
P4-32-20-150-0 7,87 9,13 1,26 2,13 5,91 2,245 14,13 9,25 23,03 Sur demande Dans le panier
P4-32-20-175-0 7,87 9,13 1,26 2,13 6,89 2,245 15,91 11,26 25,98 Sur demande Dans le panier
prêt pour l'expédition en 5 à 7 semaines P4.32.20.200.0 7,87 9,13 1,26 2,13 7,87 2,245 18,07 11,22 29,33 13,94 USD Dans le panier
P4-32-20-220-0 7,87 9,13 1,26 2,13 8,66 2,245 19,45 13,03 31,69 Sur demande Dans le panier
P4-32-20-250-0 7,87 9,13 1,26 2,13 9,84 2,245 22,01 13,19 35,43 Sur demande Dans le panier
P4-32-20-300-0 7,87 9,13 1,26 2,13 11,81 2,245 25,94 15,16 41,54 Sur demande Dans le panier
P4-32-25-075-0 9,84 11,1 1,26 2,13 2,95 2,325 8,23 6,3 13,78 Sur demande Dans le panier
P4-32-25-100-0 9,84 11,1 1,26 2,13 3,94 2,325 10,2 7,28 16,93 Sur demande Dans le panier
P4-32-25-125-0 9,84 11,1 1,26 2,13 4,92 2,325 12,17 8,27 19,88 Sur demande Dans le panier
P4-32-25-150-0 9,84 11,1 1,26 2,13 5,91 2,325 14,13 9,25 23,03 Sur demande Dans le panier
prêt pour l'expédition en 5 à 7 semaines P4.32.25.200.0 9,84 11,1 1,26 2,13 7,87 2,325 18,07 11,22 29,33 12,96 USD Dans le panier
P4-32-25-250-0 9,84 11,1 1,26 2,13 9,84 2,325 22,01 13,19 35,43 Sur demande Dans le panier
P4-32-25-300-0 9,84 11,1 1,26 2,13 11,81 2,325 25,94 15,16 41,54 Sur demande Dans le panier
En savoir plus sur la pièce sélectionnée :
3D-CAD 3D-CAD
PDF PDF
Demande de prix Demande de prix
myCatalog myCatalog

Gamme de divisions internes série P4.32

Séparateur

Standard - pour toutes les applications

Séparateur, pied large pour force de retenue maximale et une bonne stabilité dans les Chaînes
Réf.    
32-1 Sur demande Dans le panier
32-1-1 Sur demande Dans le panier
En savoir plus sur la pièce sélectionnée :
myCatalog myCatalog
Séparateur

Montage plus rapide des câbles

Fixe d´un côté avec pied large, autre côté étroit pour un montage aisé des câbles (léger blocage).
Réf.    
32-2 Sur demande Dans le panier
32-2-1 Sur demande Dans le panier
En savoir plus sur la pièce sélectionnée :
myCatalog myCatalog
Séparateur

Pour un grand nombre de câbles fins

Séparateur à pied étroit pour de nombreux câbles fins juxtaposés. Compact, fixation sûre - pour Chaînes Porte-Câbles.
Réf.    
32-3 Sur demande Dans le panier
32-3-1 Sur demande Dans le panier
En savoir plus sur la pièce sélectionnée :
myCatalog myCatalog
Séparateur

Encliquetage sûr tous les 5 mm

Séparateur bloquant pour l´entretoise ouvrable bloquante à gradation. Permet un positionnement exact.
Réf.    
32-5 Sur demande Dans le panier
32-5-1 Sur demande Dans le panier
En savoir plus sur la pièce sélectionnée :
myCatalog myCatalog
Séparateur

Subdivision horizontale

S´enclenche de façon sûre dans le séparateur aux deux extrémités, blocage fixe en largeur possible. Utilisation possible comme fond intermédiaire pour une subdivision continue ou comme fond encliquetable pour un système d´étagères à 1 niveau
Réf. Largeur    
prêt pour l'expédition en 5 à 7 semaines 3210-100 3,94 1,63 USD Dans le panier
prêt pour l'expédition en 5 à 7 semaines 3210-150 5,91 2,13 USD Dans le panier
prêt pour l'expédition en 5 à 7 semaines 3210-200 7,87 2,64 USD Dans le panier
prêt pour l'expédition en 5 à 7 semaines 3210-250 9,84 3,15 USD Dans le panier
prêt pour l'expédition en 5 à 7 semaines 3200.100 3,94 Sur demande Dans le panier
prêt pour l'expédition en 5 à 7 semaines 3200.150 5,91 Sur demande Dans le panier
prêt pour l'expédition en 5 à 7 semaines 3200.200 7,87 Sur demande Dans le panier
prêt pour l'expédition en 5 à 7 semaines 3200.250 9,84 Sur demande Dans le panier
En savoir plus sur la pièce sélectionnée :
3D-CAD 3D-CAD
Demande d'échantillons Demande d'échantillons
PDF PDF
Demande de prix Demande de prix
myCatalog myCatalog

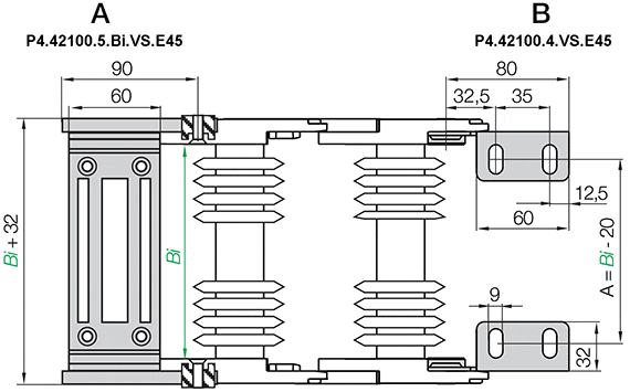
P4.32 - éléments de fixation plastique/métal oscillants

p4 42 A = point fixe en plastique | B = point mobile en acier

Pour les liaisons oscillantes

Raccord sûr pour votre application

Même jeu (2 pièces) pour toutes les largeurs de chaîne

Conducteur

P4.32 A = Point fixe | B = Mobile compris
Référence Bi A
En savoir plus sur la pièce sélectionnée :
myCatalog myCatalog

prêt pour l'expédition en 5 à 7 semaines

The terms "igus", "Apiro", "chainflex", "CFRIP", "conprotect", "CTD", "drylin", "dry-tech", "dryspin", "easy chain", "e-chain", "e-chain systems", "e-ketten", "e-kettensysteme", "e-skin", "e-spool", "flizz", "ibow", "igear", "iglidur", "igubal", "kineKIT", "manus", "motion plastics", "pikchain", "plastics for longer life", "readychain", "readycable", "ReBeL", "speedigus", "triflex", "robolink", "xirodur", and "xiros" are legally protected trademarks of the igus® SE & Co. KG/ Cologne in the Federal Republic of Germany and where applicable in some foreign countries.

igus® SE & Co. KG points out that it does not sell any products of the companies Allen Bradley, B&R, Baumüller, Beckhoff, Lahr, Control Techniques, Danaher Motion, ELAU, FAGOR, FANUC, Festo, Heidenhain, Jetter, Lenze, LinMot, LTi DRiVES, Mitsibushi, NUM,Parker, Bosch Rexroth, SEW, Siemens, Stöber and all other drive manufacturers mention in this website. The products offered by igus® are those of igus® SE & Co. KG