Veuillez sélectionner votre lieu de livraison

Le choix du site pays peut avoir un effet sur différents facteurs tels que le prix, les options de livraison et la disponibilité des produits.
My contact person
igus® Canada

180 Bass Pro Mills Drive

Concord

Ontario L4K 0G9

+1 (800) 965-2496
+1 905 760-8688
CA(FR)

Module linéaire à courroie crantée drylin® ZLW-OD sans graisse en taille 16

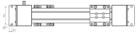
Dos à dos

Avec chariots dos à dos

Le nouveau module linéaire à courroie crantée drylin® ZLW-OD de taille 1660 vient compléter la série de modules linéaires à chariots dos à dos. Une structure robuste basée sur le système modulaire sans graisse drylin® W, des brides supports d'axes en aluminium et des roulements à billes dans les renvois permettent un positionnement dos à dos très rapide avec une course maximale de 3 000 mm. Pour un déplacement motorisé, le module peut être configuré, commandé et fourni prêt à monter avec des moteurs pas à pas drylin® NEMA.

Guidage linéaire sans graisse sur la base de drylin® W

Courses individuelles jusqu'à 3 000 mm maximum

Charges radiales jusqu'à 200 N

Moteurs pas à pas drylin® E disponibles (avec ou sans encodeur et frein)

Fourniture bride de fixation inclue

 

 


Domaines d'applications types : Manipulation et automatisation, distributeurs de marchandises, transgerbeurs
drylin® Orientation de la bride de fixation
ZLW Variante "02" montage sur le côté, ZLW orientée debout
drylin® Variante "04" montage horizontal, ZLW orientée horizontalement
ZLW Variante "03" montage de face

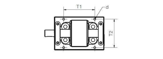
Cotes [mm]

Référence A Al H Ht E2 E3 L R f lt sg ha lz Longueur de la course
-0,3 ±0,15 ±0,15 ±0,15 ±0,3 max.
prêt pour l'expédition en 4 à 6 semaines ouvrables (temporairement) ZLW-1660-OD-02 4,09 3,94 2,76 2,76 3,39 82 9,76 2,28 0 3,11 M8 1,38 36 3000 Sur demande Dans le panier
prêt pour l'expédition en 4 à 6 semaines ouvrables (temporairement) ZLW-1660-OD-03 4,09 3,94 2,76 2,76 3,39 82 9,76 2,28 0 3,11 M8 1,38 36 3000 Sur demande Dans le panier
prêt pour l'expédition en 4 à 6 semaines ouvrables (temporairement) ZLW-1660-OD-04 4,09 3,94 2,76 2,76 3,39 82 9,76 2,28 0 2,91 M8 1,38 36 3000 Sur demande Dans le panier
En savoir plus sur la pièce sélectionnée :
3D-CAD 3D-CAD
Demande d'échantillons Demande d'échantillons
PDF PDF
Demande de prix Demande de prix
myCatalog myCatalog
Référence l2 d2 d T1 T2 Ws W1 W2 dw1 IW AW
h9 ±0,25 ±0,25
prêt pour l'expédition en 4 à 6 semaines ouvrables (temporairement) ZLW-1660-OD-02 0,79 0,55 65 60 5 15 2,13 0,33 12,91 4,49 Sur demande Dans le panier
prêt pour l'expédition en 4 à 6 semaines ouvrables (temporairement) ZLW-1660-OD-03 0,79 0,55 65 60 5 15 3,46 0,33 12,91 2,95 Sur demande Dans le panier
prêt pour l'expédition en 4 à 6 semaines ouvrables (temporairement) ZLW-1660-OD-04 0,79 0,55 65 60 5 9,76 2,76 Sur demande Dans le panier
En savoir plus sur la pièce sélectionnée :
3D-CAD 3D-CAD
Demande d'échantillons Demande d'échantillons
PDF PDF
Demande de prix Demande de prix
myCatalog myCatalog

Plus d'informations :


prêt pour l'expédition en 4 à 6 semaines ouvrables (temporairement)

Conseil

I would be happy to answer your questions personally

Transport et conseils

En personne:

Du lundi au vendredi de 8h à 17h

Online:

24h


The terms "igus", "Apiro", "chainflex", "CFRIP", "conprotect", "CTD", "drylin", "dry-tech", "dryspin", "easy chain", "e-chain", "e-chain systems", "e-ketten", "e-kettensysteme", "e-skin", "e-spool", "flizz", "ibow", "igear", "iglidur", "igubal", "kineKIT", "manus", "motion plastics", "pikchain", "plastics for longer life", "readychain", "readycable", "ReBeL", "speedigus", "triflex", "robolink", "xirodur", and "xiros" are legally protected trademarks of the igus® SE & Co. KG/ Cologne in the Federal Republic of Germany and where applicable in some foreign countries.

igus® SE & Co. KG points out that it does not sell any products of the companies Allen Bradley, B&R, Baumüller, Beckhoff, Lahr, Control Techniques, Danaher Motion, ELAU, FAGOR, FANUC, Festo, Heidenhain, Jetter, Lenze, LinMot, LTi DRiVES, Mitsibushi, NUM,Parker, Bosch Rexroth, SEW, Siemens, Stöber and all other drive manufacturers mention in this website. The products offered by igus® are those of igus® SE & Co. KG