180 Bass Pro Mills Drive
Concord
Ontario L4K 0G9
 
        Rail drylin® W servant de mécanisme de protection
Disponible avec un pas de 10 x 2, 10 x 12, 10 x 50
Construction compacte
3 longueurs de chariot
 
         
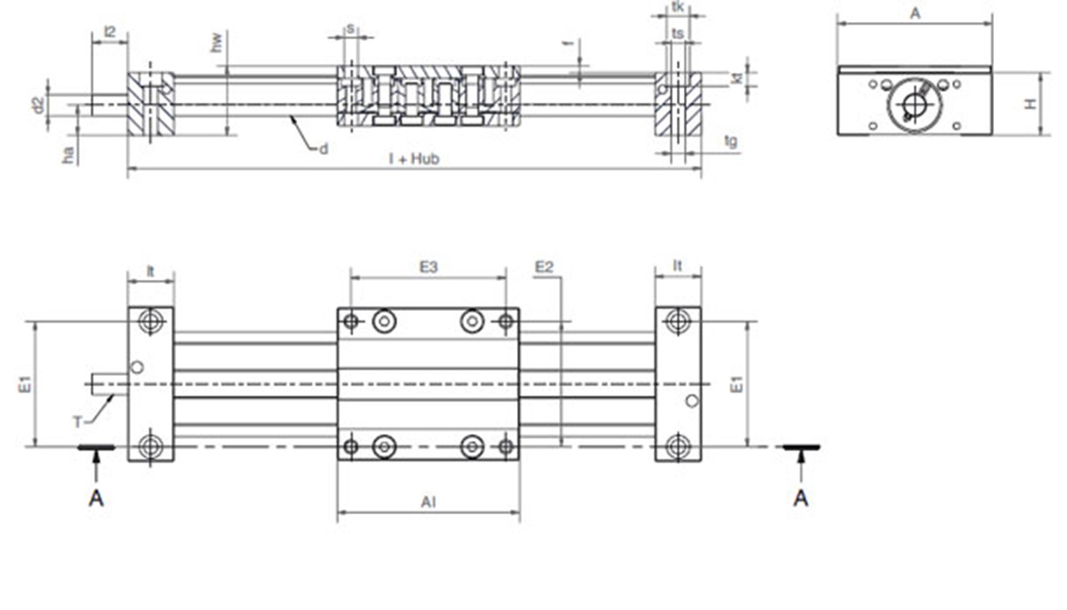
                | Réf. | Course max. | patin | suppl. de poids (par 100 mm) | Force stat. admis. maxi | Matériau bride support d´arbre | |||
|---|---|---|---|---|---|---|---|---|
| [kg] | [g] | axiale [N] | radiale [N] | |||||
| SLW-PT-1040 | 750 | 0,75 | 0,013 | 157,5 | 450 | 250,66 USD | ||
| SLW-BB-PT-1040 | 750 | 0,9 | 0,013 | 112,5 | 450 | 274,67 USD | ||
* En fonction de la charge et de la vitesse
| Réf. | A | Al | H | E1 | E2 | E3 | l | hw | f | lt | tk | ts | 
|---|---|---|---|---|---|---|---|---|---|---|---|---|
| -0,3 | -0,3 | ±0,15 | ±0,15 | ±0,15 | ±0,1 | |||||||
| SLW-PT-1040 | 2,91 | 3,43 | 1,14 | 2,36 | 2,36 | 74 | 5,16 | 1,31 | 0,13 | 0,87 | 0,43 | 0,27 | 
| SLW-BB-PT-1040 | 2,91 | 3,43 | 1,14 | 2,36 | 2,36 | 74 | 5,79 | 1,31 | 0,13 | 1,18 | 0,43 | 0,27 | 
| Réf. | tg | kt | d | T | l2 | d2 | d2** | ha | 
|---|---|---|---|---|---|---|---|---|
| standard | au choix | |||||||
| SLW-PT-1040 | M8 | 0,25 | 0,39 | TR10x2 | 0,67 | TR10x2* | 6h9 | 0,57 | 
| SLW-BB-PT-1040 | M8 | 0,25 | 0,39 | TR10x2 | 0,67 | TR10x2* | 6h9 | 0,57 | 
**Vis / extrémité de vis visible