Veuillez sélectionner votre lieu de livraison

Le choix du site pays peut avoir un effet sur différents facteurs tels que le prix, les options de livraison et la disponibilité des produits.
My contact person
igus® Canada

180 Bass Pro Mills Drive

Concord

Ontario L4K 0G9

+1 (800) 965-2496
+1 905 760-8688
CA(FR)

drylin® SLN - unité linéaire miniature à moteur

Unité linéaire à moteur

Version compacte

Fonctionnement sans graisse sur la base du guidage miniature drylin® N

Unité linéaire miniature à moteur testée et prête à monter

Logement sur roulements à billes pour un mouvement dynamique, optimisé et avec peu de jeu

Disponible en 3 pas de vis : filet M5 (5x0,8 mm), filets hélicoïdaux 5x5 et 6x12,7

SLN-27-14 Chariot à réglage manuel du jeu et de la hauteur, vis montée sur roulements à billes
 
SLN-27-15 Chariot à précontrainte à ressort (preload) et réglage manuel du jeu et de la hauteur, vis montée sur roulements à billes
 
Moteur intégré Moteur pas à pas NEMA 11 à cordon Couple de maintien Mo 0,13 Nm, cote de raccordement 28x28 mm
 
Disponibles en option : Capteurs pouvant être positionnés directement sur le profil en un point quelconque
Réf. IK-0052 kit capteurs avec support pour SLN, inductif,PNP, ouverture/NC
Réf. IK-0053 kit capteurs avec support pour SLN, inductif, PNP fermeture/NO
 

Toutes les variantes sont disponibles prêtes à être raccordées et dans les longueurs de course de 100/150/200/250 mm. Autres courses disponibles sur demande.
 
Avantage supplémentaire pour toutes les versions : Sur toutes les versions, les capteurs peuvent être placés directement sur le rail, en un point quelconque.
 
Domaines d'application type :Distributeurs, technique médicale et laboratoires, technique de contrôle

Gamme :

Données techniques

Réf. Longueur de la course patin supplém.
(par 100 mm)
Force stat. admis.
maxi
Vitesse
maxi
Couple
d'entraînement
   
    [g] [g] axiale[N] radiale[N] [tr/min.]. [Nm]    
En savoir plus sur la pièce sélectionnée :
myCatalog myCatalog

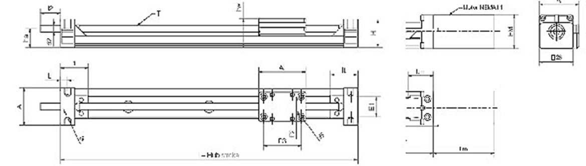
Cotes [mm]

Réf. A Al H E1 E2 E3 l hw lt lb ts tg T d2 l2 ha    
  ±0,2 -0,1 ±0,2 ±0,15 ±0,15 ±0,15   ±0,2 ±0,2                
En savoir plus sur la pièce sélectionnée :
myCatalog myCatalog

Module linéaire avec moteur
dimensions [mm]

Réf. ltm HM AI li l Lm    
En savoir plus sur la pièce sélectionnée :
myCatalog myCatalog


The terms "igus", "Apiro", "chainflex", "CFRIP", "conprotect", "CTD", "drylin", "dry-tech", "dryspin", "easy chain", "e-chain", "e-chain systems", "e-ketten", "e-kettensysteme", "e-skin", "e-spool", "flizz", "ibow", "igear", "iglidur", "igubal", "kineKIT", "manus", "motion plastics", "pikchain", "plastics for longer life", "readychain", "readycable", "ReBeL", "speedigus", "triflex", "robolink", "xirodur", and "xiros" are legally protected trademarks of the igus® GmbH/ Cologne in the Federal Republic of Germany and where applicable in some foreign countries.

igus® GmbH points out that it does not sell any products of the companies Allen Bradley, B&R, Baumüller, Beckhoff, Lahr, Control Techniques, Danaher Motion, ELAU, FAGOR, FANUC, Festo, Heidenhain, Jetter, Lenze, LinMot, LTi DRiVES, Mitsibushi, NUM,Parker, Bosch Rexroth, SEW, Siemens, Stöber and all other drive manufacturers mention in this website. The products offered by igus® are those of igus® GmbH