Please choose your delivery location

The selection of the country/region page can influence various factors such as price, shipping options and product availability.
Inquiry / Contact
igus® Canada

180 Bass Pro Mills Drive

Concord

Ontario L4K 0G9

+1 (800) 965-2496
+1 905 760-8688
CA(EN)

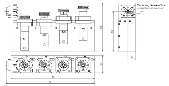
Drive unit for a 4-axis articulated arm


igus® Drive unit

Compact drive unit for a 4-axis articulated arm

Freely configurable arm length through modular design

Drive with igus® step motors

Alternative drive/control systems easily possible

Dimensions [mm]

Ordering number for Motor dT h1 h2 l1 l2 l3 l4
More about selected part:
myCatalog myCatalog

igus® step motors

Due to standardized electrical connection, activation with the most popular motor controls.

Cost-effective

precise

Simple activation

Technical data

Motor NEMA 17 NEMA 23
Maximum voltage 60 VDC 60 VDC
Nominal voltage 24-48 VDC 24-48 VDC
Nominal current 1,8 A 4,2 A
Holding torque 0,5 Nm 2 Nm
Distance over hubs 42 mm 56,6 mm

More information:



The terms "igus", "Apiro", "chainflex", "CFRIP", "conprotect", "CTD", "drylin", "dry-tech", "dryspin", "easy chain", "e-chain", "e-chain systems", "e-ketten", "e-kettensysteme", "e-skin", "e-spool", "flizz", "ibow", "igear", "iglidur", "igubal", "kineKIT", "manus", "motion plastics", "pikchain", "plastics for longer life", "readychain", "readycable", "ReBeL", "speedigus", "triflex", "robolink", "xirodur", and "xiros" are legally protected trademarks of the igus® SE & Co. KG/ Cologne in the Federal Republic of Germany and where applicable in some foreign countries.

igus® SE & Co. KG points out that it does not sell any products of the companies Allen Bradley, B&R, Baumüller, Beckhoff, Lahr, Control Techniques, Danaher Motion, ELAU, FAGOR, FANUC, Festo, Heidenhain, Jetter, Lenze, LinMot, LTi DRiVES, Mitsibushi, NUM,Parker, Bosch Rexroth, SEW, Siemens, Stöber and all other drive manufacturers mention in this website. The products offered by igus® are those of igus® SE & Co. KG