Please choose your delivery location

The selection of the country/region page can influence various factors such as price, shipping options and product availability.
Inquiry / Contact
igus® Canada

180 Bass Pro Mills Drive

Concord

Ontario L4K 0G9

+1 (800) 965-2496
+1 905 760-8688
CA(EN)

Configurator for drylin® T – low-profile linear guide system

Ordering a complete system

Configuration in just a few steps:

1. Choose the number of carriages
2. Choose the type of carriage
3. Enter the carriage length in mm
4. Choose the carriage options
5. Choose the rail options

Note:

You can find detailed information in the drawings below and also on the pages listed below. You can find more precise information on the floating bearing types within the construction rules.
1

no floating bearing

2

Floating bearing in z-direction

3

Floating bearing in y-direction

4

Floating bearing in yz-direction

Floating bearing application

drylin® TK-04 – complete system

Step 1

Select the installation size of the guide carriage.

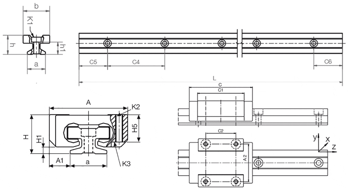
technical drawing
Installation size of the guide carriage:
drylin® T system 04 drawing

Dimensions and technical data


Guide rails
 
Part No. Weight
[kg/m]
L
max.
a
-0,2
C4 C5
min.
C5
max.
C6
min.
C6
max.
h h1 K1 for screw
DIN 912
b ly
[mm4]
lz
[mm4]
Wby
[mm4]
Wbz
[mm4]
TS-04-07 0,08 2.000 7 15 5 12 5 12 5,5 3,7 M2 8 131 90 32 29
TS-04-09 0,11 2.000 9 20 5 14,5 5 14,5 6,3 4,6 M2 9,6 252 169 52 49
TS-04-12 0,20 2.000 12 25 5 17,0 5 17,0 8,6 5,9 M3 13 856 574 132 120
TS-04-15 0,33 3.000 15 40 10 29,5 10 29,5 10,8 7,0 M3 17 2.420 1.410 285 239
Standard hole pattern symmetrical C5: C6
 
Guide carriages
 
Part No. Weight
[g]
H
±0,35
A
–0,2
C
±0,3
A1
±0,35
A2 C1 C2 H1
±0,35
H5 K2 thread Tightening torque
max.
[Nm]
K3 for screw
DIN 912
TW-04-07 8 8 17 23 5 12 21 8 1,5 - M2 0,25 -
TW-04-09 17 10 20 29 5,5 15 18 13 1,7 7,2 M2 0,25 M2
TW-04-12 34 13 27 34 7,5 20 22 15 2,2 9,5 M3 0,5 M2 (M3)
TW-04-15 61 16 32 42 8,5 25 31 20 2,8 11 M3 0,5 M2 (M3)

 
Carriage with adjustable clearance
 
Part No. Weight
[g]
H
±0,35
A
–0,2
C
±0,3
A1
±0,35
A2 C1 C2 H1
±0,35
H5 K2 thread K3 for screw
DIN 912
TWE-04-12 36 13 27 38 7,5 20 36 15 2,2 9,5 M3 M2 (M3)
TWE-04-15 61 16 32 45 8,5 25 31 20 2,8 11 M3 M2 (M3)


The terms "igus", "Apiro", "chainflex", "CFRIP", "conprotect", "CTD", "drylin", "dry-tech", "dryspin", "easy chain", "e-chain", "e-chain systems", "e-ketten", "e-kettensysteme", "e-skin", "e-spool", "flizz", "ibow", "igear", "iglidur", "igubal", "kineKIT", "manus", "motion plastics", "pikchain", "plastics for longer life", "readychain", "readycable", "ReBeL", "speedigus", "triflex", "robolink", "xirodur", and "xiros" are legally protected trademarks of the igus® SE & Co. KG/ Cologne in the Federal Republic of Germany and where applicable in some foreign countries.

igus® SE & Co. KG points out that it does not sell any products of the companies Allen Bradley, B&R, Baumüller, Beckhoff, Lahr, Control Techniques, Danaher Motion, ELAU, FAGOR, FANUC, Festo, Heidenhain, Jetter, Lenze, LinMot, LTi DRiVES, Mitsibushi, NUM,Parker, Bosch Rexroth, SEW, Siemens, Stöber and all other drive manufacturers mention in this website. The products offered by igus® are those of igus® SE & Co. KG