Veuillez sélectionner votre lieu de livraison

Le choix du site pays peut avoir un effet sur différents facteurs tels que le prix, les options de livraison et la disponibilité des produits.
My contact person
igus® Canada

180 Bass Pro Mills Drive

Concord

Ontario L4K 0G9

+1 (800) 965-2496
+1 905 760-8688
CA(FR)

Unités linéaires drylin® prêtes à l´emploi

Unités linéaires à vis trapézoïdale pour votre moteur pas à pas de type NEMA 23

SAW – prête à l´emploi pour moteur pas à pas

La gamme drylin® SAW offre des unités linéaires prêtes à l´emploi pour les moteurs pas à pas de type NEMA-23 de différents fabricants (Berger Lahr, Festo, Gunda, Oriental, Sanyo Denki, etc.). Le mouvement linéaire y est assuré sans qu´aucune lubrification ne soit nécessaire.

Vis trapézoïdale montée sur roulement à billes

Courses de 2 mm, 3 mm, 12 mm ou 50 mm par rotation

Structure compacte, faible poids, stabilité élevée

Disponible prêt à l´emploi avec bride support moteur et accouplement

En option avec paliers linéaires réglables et chariots précontraints sans jeu

Vis à filet à droite en version standard, utilisation possible d´une vis à filet à gauche ou de vis avec filets dans chaque sens

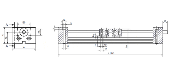
1

Moteur pas à pas (optionnel)

2

Bride support moteur et accouplement

3

Vis trapézoïdale 10 x 2, 10 x 3 Vis hélicoïdale 10 x 12, 10 x 50

4

Ecrou et paliers linéaires en iglidur® J, autolubrifiants

5

Roulement à billes

En option : patin à fonction "turn-to-fit" En option : patin à fonction "turn-to-fit"

Informations supplémentaires moteurs :

Les moteurs pas à pas sont le complément idéal des unités linéaires drylin®. Ils sont peu coûteux, permettent une grande précision et peuvent être facilement commandés. Ils offrent une grande fiabilité, dans les environnements les plus divers (en fonction de la classe de protection IP choisie). Le standard NEMA garantit une bonne disponibilité dans le monde entier.

Taille NEMA Largeur de
bride (b)
Ecart entre
les alésages (a)
8 20,00 16,00
11 28,00 23,00
14 35,00 26,00
17 42,00 31,00
23 56,40 47,14
34 86,00 69,50

NEMA se rapporte uniquement aux cotes de raccordement des moteurs pas à pas !
Veuillez prendre les cotes exactes indiquées sur la fiche signalétique du moteur en question.

N° de commande Course
max.
Vitesse
maxi
Charge
statique maxi
axiale [N] radiale [N]
Version
prêt pour l'expédition en 4 à 6 semaines ouvrables (temporairement) SAW-1040 19,69 1107,28 112,5 450 Dans le panier
prêt pour l'expédition en 4 à 6 semaines ouvrables (temporairement) SAW-1040-E 19,69 1107,28 112,5 450 Dans le panier
En savoir plus sur la pièce sélectionnée :
3D-CAD 3D-CAD
Demande d'échantillons Demande d'échantillons
PDF PDF
Demande de prix Demande de prix
myCatalog myCatalog

Plus d'informations :


prêt pour l'expédition en 4 à 6 semaines ouvrables (temporairement)

The terms "igus", "Apiro", "chainflex", "CFRIP", "conprotect", "CTD", "drylin", "dry-tech", "dryspin", "easy chain", "e-chain", "e-chain systems", "e-ketten", "e-kettensysteme", "e-skin", "e-spool", "flizz", "ibow", "igear", "iglidur", "igubal", "kineKIT", "manus", "motion plastics", "pikchain", "plastics for longer life", "readychain", "readycable", "ReBeL", "speedigus", "triflex", "robolink", "xirodur", and "xiros" are legally protected trademarks of the igus® GmbH/ Cologne in the Federal Republic of Germany and where applicable in some foreign countries.

igus® GmbH points out that it does not sell any products of the companies Allen Bradley, B&R, Baumüller, Beckhoff, Lahr, Control Techniques, Danaher Motion, ELAU, FAGOR, FANUC, Festo, Heidenhain, Jetter, Lenze, LinMot, LTi DRiVES, Mitsibushi, NUM,Parker, Bosch Rexroth, SEW, Siemens, Stöber and all other drive manufacturers mention in this website. The products offered by igus® are those of igus® GmbH