Please choose your delivery location

The selection of the country/region page can influence various factors such as price, shipping options and product availability.
Inquiry / Contact
igus® Canada

180 Bass Pro Mills Drive

Concord

Ontario L4K 0G9

+1 (800) 965-2496
+1 905 760-8688
CA(EN)

Series E1.10 - openable along the outer radius

Series E1.10
ES1.10 drawing

Part No. Segment length A Segments/m Bi Ba R H D K Ha Hi T Weight
e-chains® [mm] [mm] [kg/segment]
E1-10-013-018-0 7.87 0.2 0.51 0.28 0.71 2.44 2.6 3.94 0.61 0.39 0.98 0.011 Upon request Add to shopping cart
More about selected part:
myCatalog myCatalog

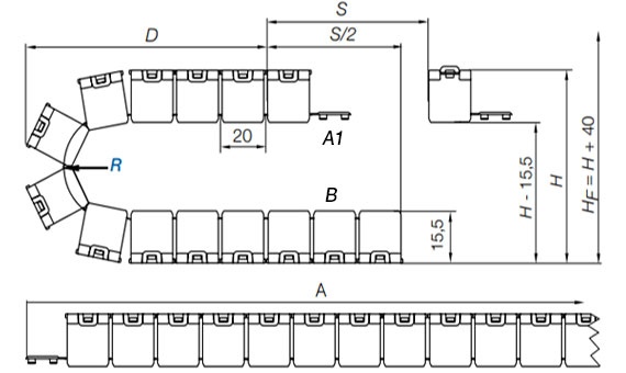
Installation dimensions

Series ES1.10
 
A = Segment length [mm]
A1 = moving end
B = fixed end
S = length of travel
R = bend radius
H = nominal clearance height
HF = required clearance height
D = overlength, radius in final position



The terms "igus", "Apiro", "chainflex", "CFRIP", "conprotect", "CTD", "drylin", "dry-tech", "dryspin", "easy chain", "e-chain", "e-chain systems", "e-ketten", "e-kettensysteme", "e-skin", "e-spool", "flizz", "ibow", "igear", "iglidur", "igubal", "kineKIT", "manus", "motion plastics", "pikchain", "plastics for longer life", "readychain", "readycable", "ReBeL", "speedigus", "triflex", "robolink", "xirodur", and "xiros" are legally protected trademarks of the igus® SE & Co. KG/ Cologne in the Federal Republic of Germany and where applicable in some foreign countries.

igus® SE & Co. KG points out that it does not sell any products of the companies Allen Bradley, B&R, Baumüller, Beckhoff, Lahr, Control Techniques, Danaher Motion, ELAU, FAGOR, FANUC, Festo, Heidenhain, Jetter, Lenze, LinMot, LTi DRiVES, Mitsibushi, NUM,Parker, Bosch Rexroth, SEW, Siemens, Stöber and all other drive manufacturers mention in this website. The products offered by igus® are those of igus® SE & Co. KG