Please choose your delivery location

The selection of the country/region page can influence various factors such as price, shipping options and product availability.
Inquiry / Contact
igus® Canada

180 Bass Pro Mills Drive

Concord

Ontario L4K 0G9

+1 (800) 965-2496
+1 905 760-8688
CA(EN)

Ball bearing for the tobacco industry - xiros® T220

xiros® polymer ball bearings made from xiros® T220 only use the materials ‘recommended’ by the tobacco industry. These are free from carcinogenic additives such as PTFE.

Free from undesirable or banned ingredients for the tobaco industry

Insensitive to dust and dirt

Washable and non-magnetic

Low friction value


Typical applications:Tobacco industry
xiros® T220
xiros® T220

Delivery program:

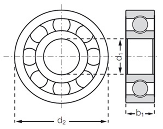
Part Number Inner-Ø Outer-Ø Width Max. stat.
load
Load capacity Max speed Weight    
  d1 d2 b1 axial [N] stat. [N] dyn. [N] [min-1 rpm] [g]    
More about selected part:
myCatalog myCatalog
Recommended hole and shaft tolerance for xiros® radial grooved ball bearings
As standard, we recommend an H7 tolerance for the housing bore of the xiros® radial grooved ball bearing and an H6 tolerance for the shaft. If you have any particular questions about the design of your hole and shaft, we'd be glad to hear from you.


The terms "igus", "Apiro", "chainflex", "CFRIP", "conprotect", "CTD", "drylin", "dry-tech", "dryspin", "easy chain", "e-chain", "e-chain systems", "e-ketten", "e-kettensysteme", "e-skin", "e-spool", "flizz", "ibow", "igear", "iglidur", "igubal", "kineKIT", "manus", "motion plastics", "pikchain", "plastics for longer life", "readychain", "readycable", "ReBeL", "speedigus", "triflex", "robolink", "xirodur", and "xiros" are legally protected trademarks of the igus® SE & Co. KG/ Cologne in the Federal Republic of Germany and where applicable in some foreign countries.

igus® SE & Co. KG points out that it does not sell any products of the companies Allen Bradley, B&R, Baumüller, Beckhoff, Lahr, Control Techniques, Danaher Motion, ELAU, FAGOR, FANUC, Festo, Heidenhain, Jetter, Lenze, LinMot, LTi DRiVES, Mitsibushi, NUM,Parker, Bosch Rexroth, SEW, Siemens, Stöber and all other drive manufacturers mention in this website. The products offered by igus® are those of igus® SE & Co. KG