Please choose your delivery location

The selection of the country/region page can influence various factors such as price, shipping options and product availability.
Inquiry / Contact
igus® Canada

180 Bass Pro Mills Drive

Concord

Ontario L4K 0G9

+1 (800) 965-2496
+1 905 760-8688
CA(EN)

xiros® B180 - End caps

Manufactured with low-cost xiros® B180

Can be retrofitted quickly and easily in many standard tubes

PA cage and glass, plastic or stainless steel balls

Low friction

Washable and non-magnetic

Lifetime predictable

Good axial stability

Long life cycle


Typical applications:Material handling, mechanical engineering, packaging industry
New xiros® end cap ball bearings
New xiros® end cap ball bearings

Delivery program:

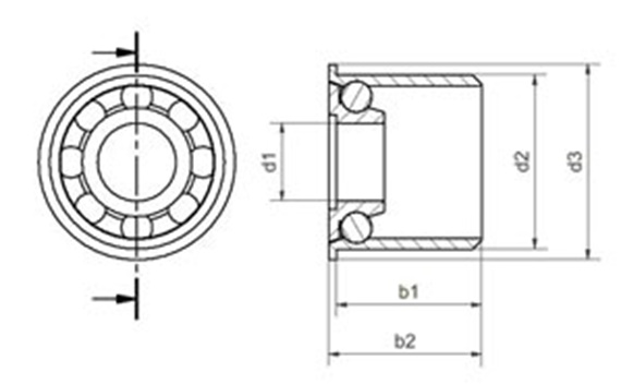
Dimensions [mm]

Ordering number Inner-Ø Outer-Ø Outer-Ø Height Height load capacity max speed Weight
d1 d2 d3 b1 b2 stat.[N] dyn.[N] [rpm] [g]
Ready to ship within 4-6 weeks (temporarily) BB-6204EC44.5-B180-10-ES 20 44.5 50 35.81 38.5 210 294 1150 32.5 Upon request Add to shopping cart
BEC620444.5B1G 20 44.5 50 35.81 38.5 210 294 1150 25.9 Upon request Add to shopping cart
More about selected part:
3D-CAD 3D-CAD
Sample request Sample request
PDF PDF
Quote request Quote request
myCatalog myCatalog
xiros® End cap with full hex socket

Delivery program:

Dimensions [mm]

Ordering number Inner-Ø Outer-Ø Outer-Ø Height Height load capacity max speed Weight
d1 d2 d3 b1 b2 stat.[N] dyn.[N] [rpm] [g]
Ready to ship within 6-8 weeks (temporarily) BB-6204ECM8-B180-10-ES M8 44.5 50 35.81 38.5 245 294 1800 33 Upon request Add to shopping cart
More about selected part:
3D-CAD 3D-CAD
Sample request Sample request
PDF PDF
Quote request Quote request
myCatalog myCatalog

Ready to ship within 4-6 weeks (temporarily)
Ready to ship within 6-8 weeks (temporarily)

The terms "igus", "Apiro", "chainflex", "CFRIP", "conprotect", "CTD", "drylin", "dry-tech", "dryspin", "easy chain", "e-chain", "e-chain systems", "e-ketten", "e-kettensysteme", "e-skin", "e-spool", "flizz", "ibow", "igear", "iglidur", "igubal", "kineKIT", "manus", "motion plastics", "pikchain", "plastics for longer life", "readychain", "readycable", "ReBeL", "speedigus", "triflex", "robolink", "xirodur", and "xiros" are legally protected trademarks of the igus® SE & Co. KG/ Cologne in the Federal Republic of Germany and where applicable in some foreign countries.

igus® SE & Co. KG points out that it does not sell any products of the companies Allen Bradley, B&R, Baumüller, Beckhoff, Lahr, Control Techniques, Danaher Motion, ELAU, FAGOR, FANUC, Festo, Heidenhain, Jetter, Lenze, LinMot, LTi DRiVES, Mitsibushi, NUM,Parker, Bosch Rexroth, SEW, Siemens, Stöber and all other drive manufacturers mention in this website. The products offered by igus® are those of igus® SE & Co. KG