Change Language :
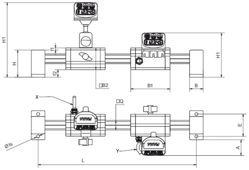
Thanks to its flexibility, the drylin® linear carriage QWE-01-20 forms the ideal basis for integrating the new digital length measuring system. The square profile can be installed unsupported and offers optimum protection for the magnetic tape on the interior thanks to its hollow chamber principle. The ball-and socket joint makes it possible to flexibly read the display.