Change Language :
Reading off the measurement data in the desired position makes it possible to ensure the ideal ergonomic positioning in the work environment and reduces the risk of read errors. The complete system (sensor, display, magnetic tape, linear guide) is delivered ready to install. The drylin® W linear guide system is self-lubricating and insensitive to dirt.
External display
Display can be positioned anywhere
Suitable for aluminum design profiles
Horizontal or vertical adaptation
Self-lubricating
**Typical applications:**Packaging industry, profile processing, pipe length cutting
Ordering number
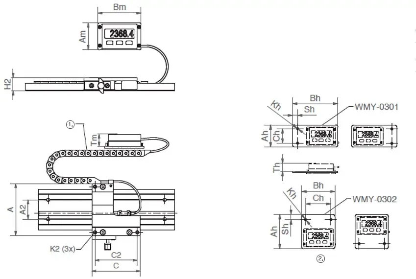
A
C
A2
C2
K2
H2
AM
Bm
Tm
Width
Length*
±0,17
WKMEDR(L)*-10-80-10-…
107
100
94
87
M6
24
82
51
25
[Wakoadd part no.="WKMEDR(L)*-10-80-10-…" text="queries"]
*Right (R) or left (L) assembling possible.
Technical data
Technical data
Measuring principle
incremental, with absolute value function through battery buffer
Display
Lowest Power LCD with integrated sensor, independent of network
Display accuracy
max. 0.1 mm
Repeat accuracy
± 1 digit
Display/Display range
-99 999 …+99 999
Function
Incremental measurement and reset function
Direct input offset value
Supply
Integrated battery, up to 10 years lifespan
Magnetic sensor
Firmly connected
Bearing Type
Installation housing
Connector Housing
Zinc die cast
Protection class
IP20 Entire device
IP60 Display screen
Operating temperature
0…+140°F
Air humidity
95% rh condensation inadmissible
Speed (travel)
Max. 11,48 ft/s