Change Language :

This new addition to the drylin® slide table range has a simple but solid design; the complete system only consists of a few components. The anodized aluminum tube guides the slide carriage and, at the same time, protects the leadscrew. The carriage and the trapezoidal nut are manufactured from a high performance polymer bearing material. The system runs without any lubrication, and gives a low-friction value combined with an excellent wear rate. High performance iglide® plastic bushings are used in the axial fixing of the leadscrew.

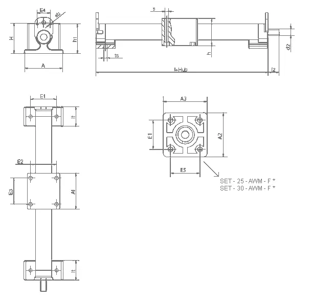
Also available as flange version (for axial connection)