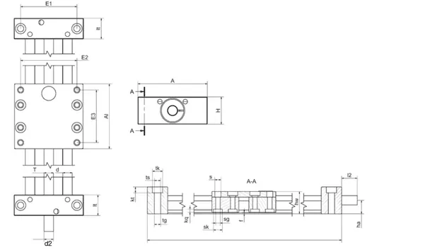
Special properties
Pitch 8 x 15 mm
Flat and compact
High torsional stability (stiffening)
Hard anodized aluminium rail