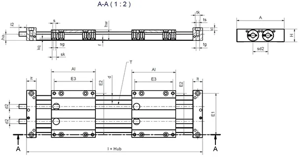
The SLWT-1080 double linear unit offers a high degree of flexibility. Very flat and compact, the SLWT combines two lead screw systems in one structure.Each carriage can be controlled separately in the unit.
Different lead screw pitches can be combined
Separate manual adjustment of carriages
Self-lubricating linear guide DryLin® W
Operation either manual or motorized