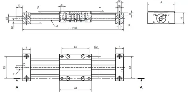
The drylin® SLW Protect uses the resistant drylin® W profile as a perfect protection mechanism. Lead screw nut and lead screw lie below the W linear guide.
drylin® W profile rail as a protective mechanism
Available with pitch 10x2, 10x12 or 10x50
Compact design
3 carriage lengths