Change Language :

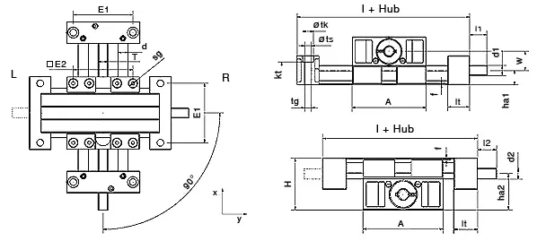
You can order the hand wheel of the y-axis to be mounted left or right. Left: HTS-XY-ESJ-1040-AWM-L-200-300 for 200 mm stroke lenght in x-direction and 300 mm in y-direction Right: HTS-XY-ESJ-1040-AWM-R-200-300 for 200 mm stroke lenght in x-direction and 300 mm in y-direction
More information:

Customer Service:
Phone: Monday to Friday from 8 am - 5 pm
LiveChat: 24 hours
Book a Call
Book an Appointment with a Product Expert