Please choose your delivery location

The selection of the country/region page can influence various factors such as price, shipping options and product availability.
Inquiry / Contact
igus® Canada

180 Bass Pro Mills Drive

Concord

Ontario L4K 0G9

+1 (800) 965-2496
+1 905 760-8688
CA(EN)

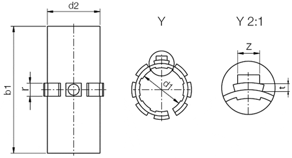
drylin® R - Liner TUM-02, mm - for high temperatures

Special properties

Temperatures from 212°F to 482°F

Recommended for stainless steel or chrome-plated shafts

2-piece

drylin r  liners


Liner TUM-02, mm - for high temperatures

d1 [mm]:

 


Dimensions and weight [mm]

Order no. d1 tolerance d2 b1 r t z Weight    
  [mm] [mm] [mm] [mm] [mm] [mm] [mm] [g]    
TUM-02-12 12 14 27 3 0.8 3 1.46 Upon request Add to shopping cart
TUM-02-16 16 18 29 3.5 0.8 3.5 2.13 Upon request Add to shopping cart
TUM-02-20 20 23 29 5 0.8 3.5 4.7 Upon request Add to shopping cart
TUM-02-25 25 28 39 5 0.8 4 8.27 Upon request Add to shopping cart
TUM-02-30 30 34 49 5 0.8 4 15.57 Upon request Add to shopping cart
TUM-02-40 40 44 59 6 1.3 5 24 Upon request Add to shopping cart
More about selected part:
myCatalog myCatalog

Tolerance according to igus® test method



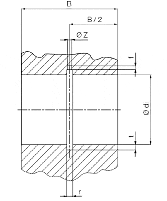
Housing bore for liner TUM-02
Dimensions [mm]

Order no. shaft di B r t f z
  [mm]
Ø
[mm]
H7
[mm]
h10
[mm] [mm] [mm] [mm]
TUM-02-12 12 14 28 3 1 1.5 3.1
TUM-02-16 16 18 30 3.5 1 1.7 3.6
TUM-02-20 20 23 30 5 1 2 3.6
TUM-02-25 25 28 40 5 1 2 4.1
TUM-02-30 30 34 50 5 1 2 4.1
TUM-02-40 40 44 60 6 1.5 2.5 5.1
More about selected part:
myCatalog myCatalog

Liners of the TUM-02 series are used in:

drylin® R - RJUM-02

Compact linear plain bearing, mm

drylin® R - RJUM-05/35

Housing bearing, mm

drylin® R - RJUME-05/35

Housing bearing, mm

drylin® R - TJUM-05/35

Split housing bearing, mm

drylin® R - RJUMT-05/35

Pillow block, tandem design, mm

drylin® R - FJUM-01/31

Flange housing, mm

drylin® R - FJUM-02/32

Flange housing, mm



The terms "igus", "Apiro", "chainflex", "CFRIP", "conprotect", "CTD", "drylin", "dry-tech", "dryspin", "easy chain", "e-chain", "e-chain systems", "e-ketten", "e-kettensysteme", "e-skin", "e-spool", "flizz", "ibow", "igear", "iglidur", "igubal", "kineKIT", "manus", "motion plastics", "pikchain", "plastics for longer life", "readychain", "readycable", "ReBeL", "speedigus", "triflex", "robolink", "xirodur", and "xiros" are legally protected trademarks of the igus® SE & Co. KG/ Cologne in the Federal Republic of Germany and where applicable in some foreign countries.

igus® SE & Co. KG points out that it does not sell any products of the companies Allen Bradley, B&R, Baumüller, Beckhoff, Lahr, Control Techniques, Danaher Motion, ELAU, FAGOR, FANUC, Festo, Heidenhain, Jetter, Lenze, LinMot, LTi DRiVES, Mitsibushi, NUM,Parker, Bosch Rexroth, SEW, Siemens, Stöber and all other drive manufacturers mention in this website. The products offered by igus® are those of igus® SE & Co. KG