Please choose your delivery location

The selection of the country/region page can influence various factors such as price, shipping options and product availability.
Inquiry / Contact
igus® Canada

180 Bass Pro Mills Drive

Concord

Ontario L4K 0G9

+1 (800) 965-2496
+1 905 760-8688
CA(EN)

Configurator for 3.1.5 drylin® N – low-profile linear guide system NK-02-80

Ordering a complete system

Configuration in just a few steps:

1. Choose the number of carriages
2. Choose the type of carriage
3. Enter the carriage length in mm
4. Choose the carriage options
5. Choose the rail options

Note:

You can find detailed information in the drawings below and also on the pages listed below. You can find more precise information on the floating bearing types within the construction rules.
1

no floating bearing

2

Floating bearing in z-direction

3

Floating bearing in y-direction

4

Floating bearing in yz-direction

Floating bearing application

drylin® NK – complete system

Step 1

Enter the desired quantity of carriages.

technical drawing
Number of carriages:
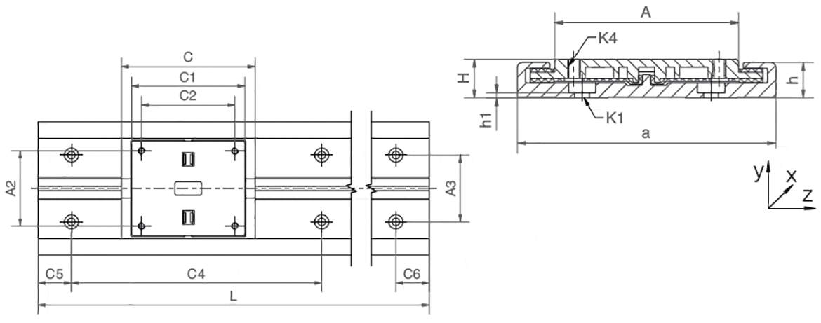
drylin® N rail + carriage drawing drylin® NW

Dimensions and technical data


Guide rails
 
Part No. L
max.
a C4 A3 C5
min.
C6
max.
h h1 K1 ly
[mm²]
lz
[mm²]
Weight
[g/m]
NS-01-80(-AR) 4.000 80 150 40 25 99,5 11 1,5 Ø4,5 27.120 2.900 1.140

Guide carriages
 
Part No. H
±0,35
A C C1 C2 A2 K4 Weight [g]
NW-02-80 12 57 80 68 56 45 M4 100
NW-12-80 12 57 83 68 56 45 M4 146,3


The terms "igus", "Apiro", "chainflex", "CFRIP", "conprotect", "CTD", "drylin", "dry-tech", "dryspin", "easy chain", "e-chain", "e-chain systems", "e-ketten", "e-kettensysteme", "e-skin", "e-spool", "flizz", "ibow", "igear", "iglidur", "igubal", "kineKIT", "manus", "motion plastics", "pikchain", "plastics for longer life", "readychain", "readycable", "ReBeL", "speedigus", "triflex", "robolink", "xirodur", and "xiros" are legally protected trademarks of the igus® SE & Co. KG/ Cologne in the Federal Republic of Germany and where applicable in some foreign countries.

igus® SE & Co. KG points out that it does not sell any products of the companies Allen Bradley, B&R, Baumüller, Beckhoff, Lahr, Control Techniques, Danaher Motion, ELAU, FAGOR, FANUC, Festo, Heidenhain, Jetter, Lenze, LinMot, LTi DRiVES, Mitsibushi, NUM,Parker, Bosch Rexroth, SEW, Siemens, Stöber and all other drive manufacturers mention in this website. The products offered by igus® are those of igus® SE & Co. KG