Change Language :

Frank Schlögel (on the right) with Andreas Hermey, Head of Design Dept.
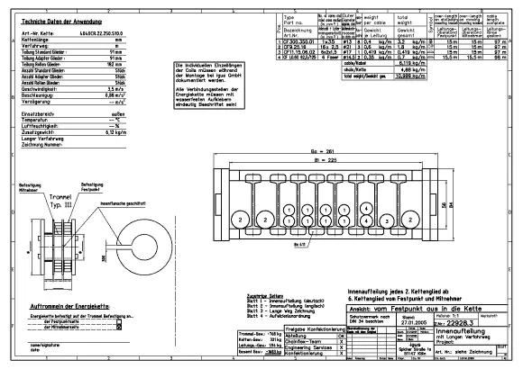
igus®' range of energy chains includes more than 40,000 different variants. In addition, there are 950 "chainflex®" cables that can be used for chains as well as more than 3,500 electric components available ex stock. "Quite often, however, customer requirements are so specific that we cannot deliver "off the peg"," explains Theo Diehl, Product Manager Energy Chain Systems for Cranes.
This doesn't really present a problem, however, because a highly qualified engineering team at the igus® plant in Cologne works on solving such specialtasks. "The problem could involveextremely long travel distances, forexample, or systems which are subjectto extreme soiling, heat or chemical loads," says Team Leader FrankSchlögel. For the engineer, every individualcase is a challenge. The igus®motto "Yes we can!" is typical of thecompany's attitude.
Schlögel and his team have been ableto successfully find solutions for apparentlyunsolvable cases.Cases with travelspeeds of up to 480metres per minute aswell as Energy ChainSystems which work inextreme heat or intensecold have all beensolved. "One suchsystem is in the containerport in Dubai, theother on a railway loadingterminal in Siberia,"says Schlögel,not without a little pridein his voice. Beforedelivery, these systemsunderwent intensive tests in igus' own climate chamber.Converting already existing systemsis always tricky. In such cases, theigus® energy chains have to be fittedexactly into already existingsystems, which can lead to the specialiststravelling around the globe tohave a personal look at the problem.When a container port in the USState of Virginia intents to replace itsout-of-date festoon solution in oneloading terminal by state-of-the-artenergy chains, for example. EastAsia is also a frequent destination.The igus® special task force is notonly flexible, it is quick, too.If necessary, an igus® engineer canarrive almost anywhere in the worldwithin two days, according to igus®'promise.