Here you can configure your Energy Chain System® individually. All entries will be copied to the Bill of Materials shown at the bottom of this page.
Series 22, crossbars at every link
1.KMA-mounting brackets
2.Mounting brackets, locking or pivoting form
3.R76: Swivelable and removable lid
4.R76: Removable bottom lids
5.Combinable tube and chain
6.Strain relief integratable in AE
7.22/23: Removable crossbars on both sides
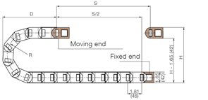
Inner widths Bi: 1.57 up to 11.81 (40 - 300 mm)
Bending radii R: 2.17 up to 9.84 (55 - 250 mm)
Pitch: 1.81 (46 mm) per link = 7 links/ft (22/m)