Here you can configure your Energy Chain System® individually. All entries will be copied to the Bill of Materials shown at the bottom of this page.
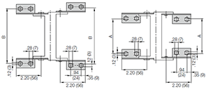
Series 2400AG chain, snap open along the inner radius
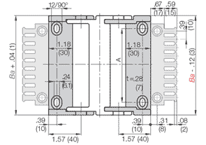
The autoglide system has now been extended
and further optimised for igus® E2/000. Larger gliding surface of the autoglide crossbars ensure
even longer service life of the system. A clip-on glide tab reliably ensures that the e-chain® is aligned properly on the first metres of travel. The eccentric guides are
fastened to the floor every 2 metres.
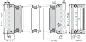
Chain length = S + K3
2 glide wings are required per e-chain®
Please note:14 mm must be added to the outer width of the chain for the width of the two gliding shoes!
We recommend that the design of your autoglide system is done by our engineers. In case of travels between 4 and 10 m we recommend an unsupported e-chain®.